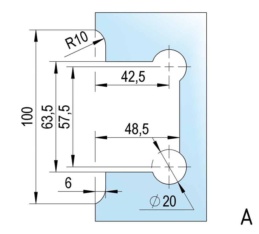
The Bilbao Select glass-wall 90° swing shower door hinge has a load-bearing capacity of 40 kg. Doors up to max. 1 x 2 m can be realised. The hinge with wall connection on both sides enables the installation of a glass door on one wall, for example for classic recess or 90° corner showers.
About the product series Bilbao Select:
The Bilbao Select shower door hinge range combines modern, angular design with practical technical details, and all at an excellent price-performance ratio. The fittings are made of brass and are suitable for glass thicknesses of 8 mm, 10 mm and 12 mm. The zero position is adjustable for all hinges. The automatic return zone of ±15° to the zero position ensures convenient closing of the shower door. Outside this zone, the hinges hold any position.
Show allShow less
Your Advantages
Stepless zero position adjustment
Various finishes available
Technical details
Adjustable zero position
Yes
Concealed wall fixings
No
Degree of gloss
Shiny
Door height
2,000 mm
Door type
Swing door
Door width
1,000 mm
Flush
No
Glass processing required
Yes
Glass thickness TSG
8 - 12 mm
Material
Brass
Max. door height
2,000 mm
Max. door weight per pair
40 kg
Max. door width
1,000 mm
Mounting type
Glass-Wall
Opening angle
90°
Opening direction
DIN left and DIN right
Package contents
1 Piece
Product series
Bilbao Select
Retrieval zone
Yes
Rise/fall function
No
Screws on the belt concealed
No
Self-closing from
15°
Self-closing function
No
Surface
Chrome-plated
Wall connection
On both sides
Show allShow less
Downloads
pdf
Instructions
BO5211516 - BO5211517 - Shower door Hinge Bilbao Select - glass-wall 90 - Instruction Manual
3ec8a001c8c61a79b0c00004ac1deadfBilbao Select shower door hinge, glass-wall 90°https://www.bohle.com/uk-EN/Bilbao-Select-shower-door-hinge-glass-wall-900/BO5211516https://media.bohle.com/media/77/1a/78/1772530922/BO_5211516_PF1_A.png?ts=1777169228InStock1069882.93GBPBO52115163ec8a001c8c61a79b0c00004ac1deadfChrome-plated shinyOn both sidesBilbao SelectSwing doorNo40 kg1 PieceBrass1,000 mmYes8 - 12 mmNo1,000 mm2,000 mmNo90°YesNoChrome-platedYesDIN left and DIN rightGlass-Wall2,000 mm15°NoShiny200{"extensions":[],"displayParent":false,"mainVariantId":null,"configuratorGroupConfig":[{"id":"826d83a67d90466488545267b0bd0b4e","expressionForListings":true},{"id":"247dd3801bab4bc492c1f3d6c8339bc5","expressionForListings":true}],"displayCheapestVariant":null,"displayMainVariant":null}truetrueGEN337CH, Shower hinge, shower door hinge, hinge, BO 5211516, BO5211516, 52115163ec8a001c8c61a79b0c00004ac1deadfBilbao Select shower door hinge, glass-wall 90°1069882.931069882.93https://www.bohle.com/uk-EN/Bilbao-Select-shower-door-hinge-glass-wall-900/BO5211516https://media.bohle.com/media/77/1a/78/1772530922/BO_5211516_PF1_A.png?ts=1777169228InStockBO52115163ec8a001c8c61a79b0c00004ac1deadfChrome-plated shinyOn both sidesBilbao SelectSwing doorNo40 kg1 PieceBrass1,000 mmYes8 - 12 mmNo1,000 mm2,000 mmNo90°YesNoChrome-platedYesDIN left and DIN rightGlass-Wall2,000 mm15°NoShiny200{"extensions":[],"displayParent":false,"mainVariantId":null,"configuratorGroupConfig":[{"id":"826d83a67d90466488545267b0bd0b4e","expressionForListings":true},{"id":"247dd3801bab4bc492c1f3d6c8339bc5","expressionForListings":true}],"displayCheapestVariant":null,"displayMainVariant":null}truetrueGEN337CH, Shower hinge, shower door hinge, hinge, BO 5211516, BO5211516, 5211516/Home ES/BX/BX/Home/IT/SE/INT/ZA/IT/Home/SE/Home/INT/Home/ZA/Home/BALTIC/BALTIC/Home BALTIC/AT/AT/Home/AT/Home/Online Shop/AT/Home/Online Shop/Glass fittings/AT/Home/Online Shop/Glass fittings/Bath and shower/AT/Home/Online Shop/Glass fittings/Bath and shower/Shower door hinges/AT/Home/Online Shop/Glass fittings/Bath and shower/Shower door hinges/Hinges/FR/BX/Home/Online Shop/BX/Home/Online Shop/Glass fittings/UK/UK/Home/UK/Home/Online Shop/BALTIC/Home BALTIC/Online shop/BALTIC/Home BALTIC/Online shop/Glass fittings/BALTIC/Home BALTIC/Online shop/Glass fittings/Bath and shower/BALTIC/Home BALTIC/Online shop/Glass fittings/Bath and shower/Shower door hinges/BALTIC/Home BALTIC/Online shop/Glass fittings/Bath and shower/Shower door hinges/Hinges/UK/Home/Online Shop/Glass fittings/UK/Home/Online Shop/Glass fittings/Bath and shower/IT/Home/Online shop/IT/Home/Online shop/Glass fittings/IT/Home/Online shop/Glass fittings/Bath and shower/IT/Home/Online shop/Glass fittings/Bath and shower/Shower door hinges/FR/Home/FR/Home/Online Shop/SE/Home/Online Shop/SE/Home/Online Shop/Glass fittings/Home ES/Online Shop/Home ES/Online Shop/Glass fittings/Home ES/Online Shop/Glass fittings/Bath and shower/UK/Home/Online Shop/Glass fittings/Bath and shower/Shower door hinges/UK/Home/Online Shop/Glass fittings/Bath and shower/Shower door hinges/Hinges/DE/DE/Home/DE/Home/Online shop/DE/Home/Online shop/Glass fittings/DE/Home/Online shop/Glass fittings/Bath and shower/BX/Home/Online Shop/Glass fittings/Bath and shower/BX/Home/Online Shop/Glass fittings/Bath and shower/Shower door hinges/ZA/Home/Online Shop/ZA/Home/Online Shop/Glass fittings/ZA/Home/Online Shop/Glass fittings/Bath and shower/ZA/Home/Online Shop/Glass fittings/Bath and shower/Shower door hinges/ZA/Home/Online Shop/Glass fittings/Bath and shower/Shower door hinges/Hinges/INT/Home/Online Shop/INT/Home/Online Shop/Glass fittings/Home ES/Online Shop/Glass fittings/Bath and shower/Shower door hinges/FR/Home/Online Shop/Glass fittings/FR/Home/Online Shop/Glass fittings/Bath and shower/Home ES/Online Shop/Glass fittings/Bath and shower/Shower door hinges/Hinges/DE/Home/Online shop/Glass fittings/Bath and shower/Shower door hinges/DE/Home/Online shop/Glass fittings/Bath and shower/Shower door hinges/Hinges/SE/Home/Online Shop/Glass fittings/Bath and shower/SE/Home/Online Shop/Glass fittings/Bath and shower/Shower door hinges/SE/Home/Online Shop/Glass fittings/Bath and shower/Shower door hinges/Hinges/FR/Home/Online Shop/Glass fittings/Bath and shower/Shower door hinges/INT/Home/Online Shop/Glass fittings/Bath and shower/IT/Home/Online shop/Glass fittings/Bath and shower/Shower door hinges/Hinges/BX/Home/Online Shop/Glass fittings/Bath and shower/Shower door hinges/Hinges/FR/Home/Online Shop/Glass fittings/Bath and shower/Shower door hinges/Hinges/INT/Home/Online Shop/Glass fittings/Bath and shower/Shower door hinges/INT/Home/Online Shop/Glass fittings/Bath and shower/Shower door hinges/Hinges/online-shop/online-shop/glass-fittings/online-shop/glass-fittings/bath-and-shower/online-shop/glass-fittings/bath-and-shower/shower-door-hinges/hinges/online-shop/glass-fittings/bath-and-shower/shower-door-hinges018e50bac1ed76ce8bf0c35226592d1a018e50bb1be67859a929e4c5bc3bd6890190104bbd4f745488cc81926fe14e210190104beb4675689b34351165d1709c01905d74ec5a7cb9a22a62ad6f7b346a01905d75002671d3bde490622370a83e01905d750f927774ac389f1bc7ee592a01905d751c8b7dbe89d67acbd6d21c1401905d75470f7ca79285ebdc8a21461001905d7584b57966a59712fdee1a88d701905d75b719778da8830895a707808c01905d75e59570bfad9e7d3133e4c310019730a561167ea5923a0fadfc39690d019730c8e5507da2ad3d80d085ea1c04113cf13a64774b23ac6fcb408750ccd41560e2e901044847a6a0b9442c6e712615a3fe504bb14d32b085baa84b4870cc19b829eb01f14f9d8ee96b1f352d1ae81a60ec24a1384c5f9066f37bf0167bf31d26523802814b0e943ee6d9eca42ee2283b041df1e547c5b59701b8d1388eee300155dd8adb4779975c2d2de42f0a2f304a033402934e11876cb4a4a92a140334277a09ad51470eb88aa0c54553067036f7d6e065534f95a4eadf83142ff82c3763fcb89a2d4bb086df99f22f666282404e495c53614121a2c4966e71c11f8a40b191f230174db4ad909017143c7e8143469537b8ca2c5e6a97371388e7d4fa484e6e9fb19f4b35a5f87425b504c9584de502435c574f5db870e2b6f8fed6415381b49a9bdeee846dbd999ac06c80035aa7627b91154164a24cddbca7fc87a55aad239ba00c4ac2a2cdd73308c99b665b7c842f6c6340e88181d467fd1ef54260ca51a66680c3be5d489cb1cfa862bf66fcf6e886eb46e489e6dd64f4244cb767780089f6be4d529b1dc2fdb78e7042684b113e133a4ce6afdf0a557616c78e68f404c1501f45cea5d15bf6dd52c1cf72c7038908944dc59a5a76a095809397737cd764c4984152bad5d91d28a0df39756ac1bea115494f8afb03e28ba27e1075ad515d420d9f08dfeac744fa50065876e9b0d9f12c41b291dc8177a11bea70789540d56f0a4fc282cd9ba444bdf0ef7ac787c97b304a538f158297cc1185d57d88e757407d4891912b18061526d5217f93944c82c34bf196fdc96753b5b2cd7fa945348820495696191318882f9fff92395593106240dabe2f9a084adb2706975c0400b53e44fe81fcbe5353e593a097fa1fe428b0472e8415135381c042849e48ffa3bc35450bb62d7e0bf43a55e9a58adce92dc50f5e3456d80d75ad6dbfa89b71fbd79f4014b23f1e3062b788daa9164d12f8754e669c9646c862f789e4a9563a6053a74518af2635139f6a024caaa7170731eb4681a2605d76693ec824af479c1851f84517b340cfaa3d4fa32db4a0e3b57ae546b4b018896095bfe018bfe04318f626421fac4d0a9d3dd23e88c38f097383d3471aa86eacf4dde1de93cb30aad30668e6a2d7b81eb6a183c79ace3353c8c4c342aaed8fce29ef53c252d7949beb8a39424f889a8b40a8a6c6afdd409812401b4ca69a950743d8dad7d6e0a742e5685b4438a7ca5d47d575dca2ea85c8b96cfcc790d5b30bf6eca0852aed49ad82de7b48d18974022c7c948f68eddb97ce56cc476c9f6b4ab5c1571c31eef7f8c21aaa42c0b27f5c9f39b49435f04067f8262e41e890f040fe81565bf7f252054cdb9c48b1897369e0455f52ecf93c7db3964c488290c27af7525ae07bfef50ad352314fada9d7e5fae0adb8e4ff929ad7e3b24b4da56890df93ad8716018e50bac1ed76ce8bf0c35226592d1a0190104bbd4f745488cc81926fe14e2101905d74ec5a7cb9a22a62ad6f7b346a01905d75002671d3bde490622370a83e01905d750f927774ac389f1bc7ee592a01905d751c8b7dbe89d67acbd6d21c14019730a561167ea5923a0fadfc39690d756ac1bea115494f8afb03e28ba27e1034277a09ad51470eb88aa0c545530670a58adce92dc50f5e3456d80d75ad6dbf75ad515d420d9f08dfeac744fa500658cb30aad30668e6a2d7b81eb6a183c79a43469537b8ca2c5e6a97371388e7d4fa0190104beb4675689b34351165d1709c97fa1fe428b0472e8415135381c042849e48ffa3bc35450bb62d7e0bf43a55e9737cd764c4984152bad5d91d28a0df39019730c8e5507da2ad3d80d085ea1c04c38f097383d3471aa86eacf4dde1de9372c7038908944dc59a5a76a095809397304a033402934e11876cb4a4a92a1403ed49ad82de7b48d18974022c7c948f6819b829eb01f14f9d8ee96b1f352d1ae81d26523802814b0e943ee6d9eca42ee201905d75470f7ca79285ebdc8a214610404e495c53614121a2c4966e71c11f8a7d88e757407d4891912b18061526d521484e6e9fb19f4b35a5f87425b504c9581560e2e901044847a6a0b9442c6e7126789540d56f0a4fc282cd9ba444bdf0ef01905d7584b57966a59712fdee1a88d7fef50ad352314fada9d7e5fae0adb8e4018e50bb1be67859a929e4c5bc3bd689f04067f8262e41e890f040fe81565bf7ff929ad7e3b24b4da56890df93ad8716283b041df1e547c5b59701b8d1388eee67780089f6be4d529b1dc2fdb78e7042a89b71fbd79f4014b23f1e3062b788da5aa7627b91154164a24cddbca7fc87a5ce3353c8c4c342aaed8fce29ef53c25260ca51a66680c3be5d489cb1cfa862bf15a3fe504bb14d32b085baa84b4870cc7ac787c97b304a538f158297cc1185d501905d75e59570bfad9e7d3133e4c310684b113e133a4ce6afdf0a557616c78ea9563a6053a74518af2635139f6a024ceef7f8c21aaa42c0b27f5c9f39b49435b4a0e3b57ae546b4b018896095bfe01801905d75b719778da8830895a707808c66fcf6e886eb46e489e6dd64f4244cb740b191f230174db4ad909017143c7e8136f7d6e065534f95a4eadf83142ff82ce0a742e5685b4438a7ca5d47d575dca276e9b0d9f12c41b291dc8177a11bea705381b49a9bdeee846dbd999ac06c8003ea85c8b96cfcc790d5b30bf6eca0852a3763fcb89a2d4bb086df99f22f666282f252054cdb9c48b1897369e0455f52ecaaa7170731eb4681a2605d76693ec8247f93944c82c34bf196fdc96753b5b2cd68f404c1501f45cea5d15bf6dd52c1cf300155dd8adb4779975c2d2de42f0a2f5aad239ba00c4ac2a2cdd73308c99b66a9164d12f8754e669c9646c862f789e4af479c1851f84517b340cfaa3d4fa32df93c7db3964c488290c27af7525ae07bThe Bilbao Select glass-wall 90° swing shower door hinge has a load-bearing capacity of 40 kg. Doors up to max. 1 x 2 m can be realised. The hinge with wall connection on both sides enables the installation of a glass door on one wall, for example for classic recess or 90° corner showers.1069882.93