Bitte beachten Sie, dass der letzte Versand- und Abholtag am 19. Dezember 2025 ist. Ab dem 5. Januar 2026 sind wir in neuer Frische wieder für Sie da.
  • Home
  • Online-Shop
  • Glasbeschläge
  • Möbel- und Vitrinenbeschläge
  • Möbel-Schlösser

Laufschuhschloss Basic

Artikelnummer: BO5202200R

Beschreibung

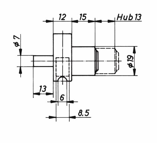
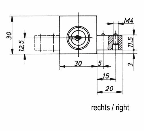
Die aus massiven Zinkdruckguss gefertigten, in unterschiedlichen Versionen erhältlichen Laufschuhschlösser der Serie Basic, bilden den seitlichen Abschluss der Schiebetür.

 

Anwendungs-Hinweis:
Passend zum Laufschuhprofil BO 5201102 / 22 Schloss ist nur rechts verwendbar und steht seitlich über die Schiene hinaus

Ihre Vorteile

  • Massive Ausführung aus Zinkdruckguss
  • Unterschiedliche Varianten verfügbar

Technische Details

Ausführung
Geschlossen
DIN Öffnungsrichtung
DIN rechts
Glanzgrad
Matt
Glasdicke
5 - 8 mm
Material
Zinkdruckguss
Oberfläche
Verchromt
Produktserie
Basic
Schließung
Gleichschließend
Türart
Schiebetür
Verpackungsinhalt
1 Stück

Zeichnungen

jpg
BO_5202200R_z1.jpg
jpg
BO_5202200R_z2.jpg
Bitte wählen Sie Ihren Standort