Das flächenbündige Pendelduschtürband Plan Artist FM hat eine Tragkraft von 38 kg. Es lassen sich Türen bis zu max. 0,9 x 2,10 m realisieren. Die 90° Glas-Wand Montage ist für rechtwinklige Eckduschen und Nischenduschen konzipiert.
Durch die flächenbündige Ausführung ist eine einfache Reinigung der Glasscheiben möglich. Das Band verfügt über eine Selbstschließfunktion bis zu einem Öffnungswinkel von ca. +/- 60°. Besonders komfortabel ist die Hebe-Senk-Funktion, mit der sich die Duschtürbeschläge leicht und lautlos wie von selbst schließen. Bedingt durch das Absenken der Tür beim Schließen, wird aufgrund eines erhöhten Dichtungsandruckes eine bessere Dichtigkeit erreicht. Für all diejenigen, die das Besondere schätzen.
Über die Produktserie Plan Artist FM:
Die Serie Plan Artist FM zeichnet sich durch ein geradliniges, eckiges Design aus. Die Duschtürbänder sind innen flächenbündig und verfügen über einen Hebe-Senk-Mechanismus. Die perfekte Lösung für Barrierefreiheit oder anspruchsvolles Duschvergnügen auf kleinem Raum.
*FM = flächenbündig montiert
Alles anzeigenWeniger anzeigen
Anwendungs-Hinweis:
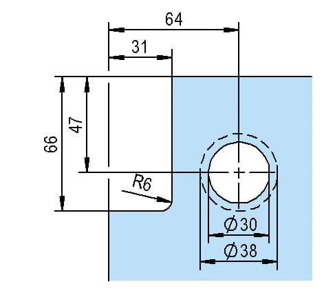
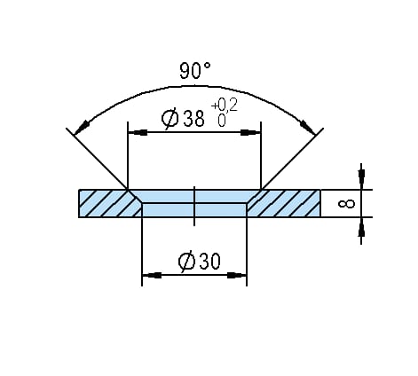
Zum bündigen Abschluss mit dem Beschlag ist im Glasausschnitt ein Abzugsmaß von 16 mm berücksichtigt. Um die Dichtung BO 5213494 einzusetzen, muss der Glasausschnitt angepasst werden.
Ihre Vorteile
Verdeckt liegende Schrauben
Nulllage mit Raststellung
Hebe-Senktechnik mit 5 mm Hubhöhe
Flächenbündige Montage
Technische Details
DIN Richtung
DIN rechts
Einstellbare Nulllage
Nein
Feststellung
90°
Flächenbündig
Ja
Glanzgrad
Glänzend
Glasbearbeitung erforderlich
Ja
Glasdicke ESG
8 mm
Hebe-Senk-Funktion
Ja
Material
Messing
Montageart
Glas-Wand
Oberfläche
Verchromt
Produktserie
Plan Artist FM
Rückholzone
Ja
Schrauben am Band verdeckt
Ja
Selbstschließend ab
60°
Türart
Pendeltür
Türbreite
900 mm
Türgewicht pro Paar max.
38 kg
Türhöhe
2.100 mm
Verpackungsinhalt
1 Paar
Wandbefestigung verdeckt
Ja
Alles anzeigenWeniger anzeigen
Lieferumfang
1 Paar
Downloads
pdf
Anleitungen
Wartungs-und Pflegehinweise
pdf
Anleitungen
BO5215650 - BO5215651 - Plan Artist - Montageanleitung
Zeichnungen
jpg
BO_5215650_z1.jpg
jpg
BO_5215650_z2.jpg
jpg
BO_5215650_z3.jpg
Für weitere Zeichnungen loggen Sie sich bitte ein:
Mehr entdecken
product
47775001c8c61a79b0c00004ac1deadfDuschtürband Plan Artist FM, Glas-Wand 90°https://www.bohle.com/at-DE/Duschtuerband-Plan-Artist-FM-Glas-Wand-900/BO5215651https://media.bohle.com/media/4c/4f/71/1772528118/BO5215651-PF7-A.png?ts=1774149012InStock1199998.8EURBO521565147775001c8c61a79b0c00004ac1deadfVerchromt glänzendJaDIN rechtsJaMessing1 PaarVerchromtGlänzendJaGlas-WandPendeltürJaJa60°90°Ja900 mm8 mmNein38 kgPlan Artist FM2.100 mm300Durch die flächenbündige Ausführung ist eine einfache Reinigung der Glasscheiben möglich. Das Band verfügt über eine Selbstschließfunktion bis zu einem Öffnungswinkel von ca. +/- 60°. Besonders komfortabel ist die Hebe-Senk-Funktion, mit der sich die Duschtürbeschläge leicht und lautlos wie von selbst schließen. Bedingt durch das Absenken der Tür beim Schließen, wird aufgrund eines erhöhten Dichtungsandruckes eine bessere Dichtigkeit erreicht. Für all diejenigen, die das Besondere schätzen. {"extensions":[],"displayParent":false,"mainVariantId":null,"configuratorGroupConfig":[{"id":"826d83a67d90466488545267b0bd0b4e","expressionForListings":true},{"id":"2184205c998f0668b58a104fcd2efbe2","expressionForListings":true},{"id":"dd850370ba603feb16af35a52be65160","expressionForListings":true}],"displayCheapestVariant":null,"displayMainVariant":null}truetrueDuschscharnier, Duschtürscharnier, Scharnier, BO 5215651, BO5215651, 521565147775001c8c61a79b0c00004ac1deadfDuschtürband Plan Artist FM, Glas-Wand 90°1199998.81199998.8https://www.bohle.com/at-DE/Duschtuerband-Plan-Artist-FM-Glas-Wand-900/BO5215651https://media.bohle.com/media/4c/4f/71/1772528118/BO5215651-PF7-A.png?ts=1774149012InStockBO521565147775001c8c61a79b0c00004ac1deadfVerchromt glänzendJaDIN rechtsJaMessing1 PaarVerchromtGlänzendJaGlas-WandPendeltürJaJa60°90°Ja900 mm8 mmNein38 kgPlan Artist FM2.100 mm300Durch die flächenbündige Ausführung ist eine einfache Reinigung der Glasscheiben möglich. Das Band verfügt über eine Selbstschließfunktion bis zu einem Öffnungswinkel von ca. +/- 60°. Besonders komfortabel ist die Hebe-Senk-Funktion, mit der sich die Duschtürbeschläge leicht und lautlos wie von selbst schließen. Bedingt durch das Absenken der Tür beim Schließen, wird aufgrund eines erhöhten Dichtungsandruckes eine bessere Dichtigkeit erreicht. Für all diejenigen, die das Besondere schätzen. {"extensions":[],"displayParent":false,"mainVariantId":null,"configuratorGroupConfig":[{"id":"826d83a67d90466488545267b0bd0b4e","expressionForListings":true},{"id":"2184205c998f0668b58a104fcd2efbe2","expressionForListings":true},{"id":"dd850370ba603feb16af35a52be65160","expressionForListings":true}],"displayCheapestVariant":null,"displayMainVariant":null}truetrueDuschscharnier, Duschtürscharnier, Scharnier, BO 5215651, BO5215651, 5215651/Home ES/BX/BX/Home/IT/SE/INT/ZA/IT/Home/SE/Home/INT/Home/ZA/Home/BALTIC/BALTIC/Home BALTIC/AT/AT/Home AT/AT/Home AT/Online-Shop/AT/Home AT/Online-Shop/Glasbeschläge/AT/Home AT/Online-Shop/Glasbeschläge/Bad und Dusche/AT/Home AT/Online-Shop/Glasbeschläge/Bad und Dusche/Duschtürbänder/AT/Home AT/Online-Shop/Glasbeschläge/Bad und Dusche/Duschtürbänder/Bänder/FR/BX/Home/Online-Shop/BX/Home/Online-Shop/Glasbeschläge/UK/UK/Home/UK/Home/Online-Shop/BALTIC/Home BALTIC/Online-Shop/BALTIC/Home BALTIC/Online-Shop/Glasbeschläge/BALTIC/Home BALTIC/Online-Shop/Glasbeschläge/Bad und Dusche/BALTIC/Home BALTIC/Online-Shop/Glasbeschläge/Bad und Dusche/Duschtürbänder/BALTIC/Home BALTIC/Online-Shop/Glasbeschläge/Bad und Dusche/Duschtürbänder/Bänder/UK/Home/Online-Shop/Glasbeschläge/UK/Home/Online-Shop/Glasbeschläge/Bad und Dusche/IT/Home/Online-Shop/IT/Home/Online-Shop/Glasbeschläge/IT/Home/Online-Shop/Glasbeschläge/Bad und Dusche/IT/Home/Online-Shop/Glasbeschläge/Bad und Dusche/Duschtürbänder/FR/Home/FR/Home/Online-Shop/SE/Home/Online-Shop/SE/Home/Online-Shop/Glasbeschläge/Home ES/Online-Shop/Home ES/Online-Shop/Glasbeschläge/Home ES/Online-Shop/Glasbeschläge/Bad und Dusche/UK/Home/Online-Shop/Glasbeschläge/Bad und Dusche/Duschtürbänder/UK/Home/Online-Shop/Glasbeschläge/Bad und Dusche/Duschtürbänder/Bänder/DE/DE/Home/DE/Home/Online-Shop/DE/Home/Online-Shop/Glasbeschläge/DE/Home/Online-Shop/Glasbeschläge/Bad und Dusche/BX/Home/Online-Shop/Glasbeschläge/Bad und Dusche/BX/Home/Online-Shop/Glasbeschläge/Bad und Dusche/Duschtürbänder/ZA/Home/Online-Shop/ZA/Home/Online-Shop/Glasbeschläge/ZA/Home/Online-Shop/Glasbeschläge/Bad und Dusche/ZA/Home/Online-Shop/Glasbeschläge/Bad und Dusche/Duschtürbänder/ZA/Home/Online-Shop/Glasbeschläge/Bad und Dusche/Duschtürbänder/Bänder/INT/Home/Online-Shop/INT/Home/Online-Shop/Glasbeschläge/Home ES/Online-Shop/Glasbeschläge/Bad und Dusche/Duschtürbänder/FR/Home/Online-Shop/Glasbeschläge/FR/Home/Online-Shop/Glasbeschläge/Bad und Dusche/Home ES/Online-Shop/Glasbeschläge/Bad und Dusche/Duschtürbänder/Bänder/DE/Home/Online-Shop/Glasbeschläge/Bad und Dusche/Duschtürbänder/DE/Home/Online-Shop/Glasbeschläge/Bad und Dusche/Duschtürbänder/Bänder/SE/Home/Online-Shop/Glasbeschläge/Bad und Dusche/SE/Home/Online-Shop/Glasbeschläge/Bad und Dusche/Duschtürbänder/SE/Home/Online-Shop/Glasbeschläge/Bad und Dusche/Duschtürbänder/Bänder/FR/Home/Online-Shop/Glasbeschläge/Bad und Dusche/Duschtürbänder/INT/Home/Online-Shop/Glasbeschläge/Bad und Dusche/IT/Home/Online-Shop/Glasbeschläge/Bad und Dusche/Duschtürbänder/Bänder/BX/Home/Online-Shop/Glasbeschläge/Bad und Dusche/Duschtürbänder/Bänder/FR/Home/Online-Shop/Glasbeschläge/Bad und Dusche/Duschtürbänder/Bänder/INT/Home/Online-Shop/Glasbeschläge/Bad und Dusche/Duschtürbänder/INT/Home/Online-Shop/Glasbeschläge/Bad und Dusche/Duschtürbänder/Bänder/online-shop/glasbeschlaege/bad-und-dusche/duschtuerbaender/baender/online-shop/glasbeschlaege/bad-und-dusche/duschtuerbaender/online-shop/glasbeschlaege/online-shop/online-shop/glasbeschlaege/bad-und-dusche018e50bac1ed76ce8bf0c35226592d1a018e50bb1be67859a929e4c5bc3bd6890190104bbd4f745488cc81926fe14e210190104beb4675689b34351165d1709c01905d74ec5a7cb9a22a62ad6f7b346a01905d75002671d3bde490622370a83e01905d750f927774ac389f1bc7ee592a01905d751c8b7dbe89d67acbd6d21c1401905d75470f7ca79285ebdc8a21461001905d7584b57966a59712fdee1a88d701905d75b719778da8830895a707808c01905d75e59570bfad9e7d3133e4c310019730a561167ea5923a0fadfc39690d019730c8e5507da2ad3d80d085ea1c04113cf13a64774b23ac6fcb408750ccd41560e2e901044847a6a0b9442c6e712615a3fe504bb14d32b085baa84b4870cc19b829eb01f14f9d8ee96b1f352d1ae81a60ec24a1384c5f9066f37bf0167bf31d26523802814b0e943ee6d9eca42ee2283b041df1e547c5b59701b8d1388eee300155dd8adb4779975c2d2de42f0a2f304a033402934e11876cb4a4a92a140334277a09ad51470eb88aa0c54553067036f7d6e065534f95a4eadf83142ff82c3763fcb89a2d4bb086df99f22f666282404e495c53614121a2c4966e71c11f8a40b191f230174db4ad909017143c7e8143469537b8ca2c5e6a97371388e7d4fa484e6e9fb19f4b35a5f87425b504c9584de502435c574f5db870e2b6f8fed6415381b49a9bdeee846dbd999ac06c80035aa7627b91154164a24cddbca7fc87a55aad239ba00c4ac2a2cdd73308c99b665b7c842f6c6340e88181d467fd1ef54260ca51a66680c3be5d489cb1cfa862bf66fcf6e886eb46e489e6dd64f4244cb767780089f6be4d529b1dc2fdb78e7042684b113e133a4ce6afdf0a557616c78e68f404c1501f45cea5d15bf6dd52c1cf72c7038908944dc59a5a76a095809397737cd764c4984152bad5d91d28a0df39756ac1bea115494f8afb03e28ba27e1075ad515d420d9f08dfeac744fa50065876e9b0d9f12c41b291dc8177a11bea70789540d56f0a4fc282cd9ba444bdf0ef7ac787c97b304a538f158297cc1185d57d88e757407d4891912b18061526d5217f93944c82c34bf196fdc96753b5b2cd7fa945348820495696191318882f9fff92395593106240dabe2f9a084adb2706975c0400b53e44fe81fcbe5353e593a097fa1fe428b0472e8415135381c042849e48ffa3bc35450bb62d7e0bf43a55e9a58adce92dc50f5e3456d80d75ad6dbfa89b71fbd79f4014b23f1e3062b788daa9164d12f8754e669c9646c862f789e4a9563a6053a74518af2635139f6a024caaa7170731eb4681a2605d76693ec824af479c1851f84517b340cfaa3d4fa32db4a0e3b57ae546b4b018896095bfe018bfe04318f626421fac4d0a9d3dd23e88c38f097383d3471aa86eacf4dde1de93cb30aad30668e6a2d7b81eb6a183c79ace3353c8c4c342aaed8fce29ef53c252d7949beb8a39424f889a8b40a8a6c6afdd409812401b4ca69a950743d8dad7d6e0a742e5685b4438a7ca5d47d575dca2ea85c8b96cfcc790d5b30bf6eca0852aed49ad82de7b48d18974022c7c948f68eddb97ce56cc476c9f6b4ab5c1571c31eef7f8c21aaa42c0b27f5c9f39b49435f04067f8262e41e890f040fe81565bf7f252054cdb9c48b1897369e0455f52ecf93c7db3964c488290c27af7525ae07bfef50ad352314fada9d7e5fae0adb8e4ff929ad7e3b24b4da56890df93ad8716018e50bac1ed76ce8bf0c35226592d1a0190104bbd4f745488cc81926fe14e2101905d74ec5a7cb9a22a62ad6f7b346a01905d75002671d3bde490622370a83e01905d750f927774ac389f1bc7ee592a01905d751c8b7dbe89d67acbd6d21c14019730a561167ea5923a0fadfc39690d756ac1bea115494f8afb03e28ba27e1034277a09ad51470eb88aa0c545530670a58adce92dc50f5e3456d80d75ad6dbf75ad515d420d9f08dfeac744fa500658cb30aad30668e6a2d7b81eb6a183c79a43469537b8ca2c5e6a97371388e7d4fa0190104beb4675689b34351165d1709c97fa1fe428b0472e8415135381c042849e48ffa3bc35450bb62d7e0bf43a55e9737cd764c4984152bad5d91d28a0df39019730c8e5507da2ad3d80d085ea1c04c38f097383d3471aa86eacf4dde1de9372c7038908944dc59a5a76a095809397304a033402934e11876cb4a4a92a1403ed49ad82de7b48d18974022c7c948f6819b829eb01f14f9d8ee96b1f352d1ae81d26523802814b0e943ee6d9eca42ee201905d75470f7ca79285ebdc8a214610404e495c53614121a2c4966e71c11f8a7d88e757407d4891912b18061526d521484e6e9fb19f4b35a5f87425b504c9581560e2e901044847a6a0b9442c6e7126789540d56f0a4fc282cd9ba444bdf0ef01905d7584b57966a59712fdee1a88d7fef50ad352314fada9d7e5fae0adb8e4018e50bb1be67859a929e4c5bc3bd689f04067f8262e41e890f040fe81565bf7ff929ad7e3b24b4da56890df93ad8716283b041df1e547c5b59701b8d1388eee67780089f6be4d529b1dc2fdb78e7042a89b71fbd79f4014b23f1e3062b788da5aa7627b91154164a24cddbca7fc87a5ce3353c8c4c342aaed8fce29ef53c25260ca51a66680c3be5d489cb1cfa862bf15a3fe504bb14d32b085baa84b4870cc7ac787c97b304a538f158297cc1185d501905d75e59570bfad9e7d3133e4c310684b113e133a4ce6afdf0a557616c78ea9563a6053a74518af2635139f6a024ceef7f8c21aaa42c0b27f5c9f39b49435b4a0e3b57ae546b4b018896095bfe01801905d75b719778da8830895a707808c66fcf6e886eb46e489e6dd64f4244cb740b191f230174db4ad909017143c7e8136f7d6e065534f95a4eadf83142ff82ce0a742e5685b4438a7ca5d47d575dca276e9b0d9f12c41b291dc8177a11bea705381b49a9bdeee846dbd999ac06c8003ea85c8b96cfcc790d5b30bf6eca0852a3763fcb89a2d4bb086df99f22f666282f252054cdb9c48b1897369e0455f52ecaaa7170731eb4681a2605d76693ec8247f93944c82c34bf196fdc96753b5b2cd68f404c1501f45cea5d15bf6dd52c1cf300155dd8adb4779975c2d2de42f0a2f5aad239ba00c4ac2a2cdd73308c99b66a9164d12f8754e669c9646c862f789e4af479c1851f84517b340cfaa3d4fa32df93c7db3964c488290c27af7525ae07bDas flächenbündige Pendelduschtürband Plan Artist FM hat eine Tragkraft von 38 kg. Es lassen sich Türen bis zu max. 0,9 x 2,10 m realisieren. Die 90° Glas-Wand Montage ist für rechtwinklige Eckduschen und Nischenduschen konzipiert.1199998.8