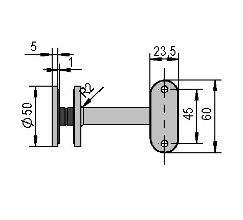
Ce support de main courante permet de fixer un tube de main courante rond à une vitre.
        Note d'application:
        Pour tube rond Ø42,4 mm
    
 Ferrures pour verre
                                                                                                                                                                                                                            Ferrures pour verre
                                                                                                    
                                            
                                                                                                                                                                                                                                                                                                                    
                                                                                                                                         Fournitures d'atelier
                                                                                                                                                                                                                            Fournitures d'atelier
                                                                                                    
                                            
                                                                                                                                                                                                                                                                                                                    
                                                                                                                                         
                                                                                                                                                                                                                                                                                            Ce support de main courante permet de fixer un tube de main courante rond à une vitre.
        Note d'application:
        Pour tube rond Ø42,4 mm
    
 
    					 
    					Vous vous trouvez actuellement sur le site de Bohle France.
Souhaitez-vous plutôt aller à Bohle ?
