En raison d'importants travaux sur le système, les connexions et les commandes sur la boutique en ligne Bohle ne seront pas possibles du 13 mai 2026 à 16 h au 17 mai 2026. Les informations sur les produits, les contenus et les téléchargements resteront toutefois disponibles. Les 14 et 15 mai 2026, Bohle sera également injoignable en raison de congés annuels. Merci de votre compréhension.
Les raccords d'angle filigranes pour verre sont fabriqués en laiton nickelé de haute qualité. Ils permettent d'assembler facilement et à tout moment des plaques de verre. Bien entendu, vous pouvez également utiliser ces raccords pour d'autres matériaux en plaques, comme l'acrylique par exemple
Vos avantages
Finition filigrane
Seul le perçage du verre est nécessaire
Montage facile grâce aux vis moletées
Protection du verre incluse
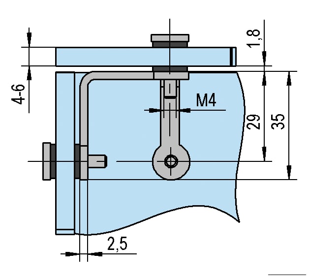
Verre jusqu'à 6mm autres matériaux possibles jusqu'à 10mm
Détails techniques
Angle
90°
Contenu de l'emballage
1 Pièce
Degré de brillance
Mat
Diamètre du trou
6 mm
Matériau
Laiton
Surface
Nickelé
Type de fixation
Vissé
Type de montage
Verre-verre
Version
3 fois
Épaisseur du verre trempé
4 - 6 mm
Schémas
jpg
BO_5200046_z1.jpg
jpg
BO_5200046_z2.jpg
jpg
BO_5200046_z3.jpg
Pour plus de schémas, veuillez vous connecter :
Découvrir plus
product
37cd8001c8c61a79b0c00004ac1deadfRaccord d'angle pour verrehttps://www.bohle.com/fr-FR/Raccord-d-angle-pour-verre/BO5200046https://media.bohle.com/media/1d/eb/e6/1772534569/BO_5200046_PF1_C.png?ts=1778379684InStock1199998.8EURBO520004637cd8001c8c61a79b0c00004ac1deadfNickelé mat3 foisVerre-verreMat1 PièceLaiton4 - 6 mm90°6 mmVisséNickelé300{"extensions":[],"displayParent":false,"mainVariantId":null,"configuratorGroupConfig":[{"id":"b4706f2ff8ac1f32a5bacd481c894ede","expressionForListings":true},{"id":"826d83a67d90466488545267b0bd0b4e","expressionForListings":true},{"id":"3a34789669c877da523ef571ba8efa76","expressionForListings":true}],"displayCheapestVariant":null,"displayMainVariant":null}truetrueTriple support, BO 5200046, BO5200046, 520004637cd8001c8c61a79b0c00004ac1deadfRaccord d'angle pour verre1199998.81199998.8https://www.bohle.com/fr-FR/Raccord-d-angle-pour-verre/BO5200046https://media.bohle.com/media/1d/eb/e6/1772534569/BO_5200046_PF1_C.png?ts=1778379684InStockBO520004637cd8001c8c61a79b0c00004ac1deadfNickelé mat3 foisVerre-verreMat1 PièceLaiton4 - 6 mm90°6 mmVisséNickelé300{"extensions":[],"displayParent":false,"mainVariantId":null,"configuratorGroupConfig":[{"id":"b4706f2ff8ac1f32a5bacd481c894ede","expressionForListings":true},{"id":"826d83a67d90466488545267b0bd0b4e","expressionForListings":true},{"id":"3a34789669c877da523ef571ba8efa76","expressionForListings":true}],"displayCheapestVariant":null,"displayMainVariant":null}truetrueTriple support, BO 5200046, BO5200046, 5200046/Home ES/BX/BX/Home/IT/SE/INT/ZA/IT/Home/SE/Home/INT/Home/ZA/Home/BALTIC/BALTIC/Home BALTIC/INT/Home/Boutique en ligne/INT/Home/Boutique en ligne/Ferrures pour verre/INT/Home/Boutique en ligne/Ferrures pour verre/Ferrures de meubles et de vitrines/FR/BX/Home/Boutique en ligne/BX/Home/Boutique en ligne/Ferrures pour verre/UK/UK/Home/UK/Home/Boutique en ligne/BALTIC/Home BALTIC/Boutique en ligne/BALTIC/Home BALTIC/Boutique en ligne/Ferrures pour verre/BALTIC/Home BALTIC/Boutique en ligne/Ferrures pour verre/Ferrures de meubles et de vitrines/UK/Home/Boutique en ligne/Ferrures pour verre/BX/Home/Boutique en ligne/Ferrures pour verre/Ferrures de meubles et de vitrines/AT/AT/Home/AT/Home/Boutique en ligne/AT/Home/Boutique en ligne/Ferrures pour verre/AT/Home/Boutique en ligne/Ferrures pour verre/Ferrures de meubles et de vitrines/IT/Home/Boutique en ligne/IT/Home/Boutique en ligne/Ferrures pour verre/IT/Home/Boutique en ligne/Ferrures pour verre/Ferrures de meubles et de vitrines/FR/Home/FR/Home/Boutique en ligne/FR/Home/Boutique en ligne/Ferrures pour verre/FR/Home/Boutique en ligne/Ferrures pour verre/Ferrures de meubles et de vitrines/ZA/Home/Boutique en ligne/ZA/Home/Boutique en ligne/Ferrures pour verre/ZA/Home/Boutique en ligne/Ferrures pour verre/Ferrures de meubles et de vitrines/SE/Home/Boutique en ligne/SE/Home/Boutique en ligne/Ferrures pour verre/DE/DE/Home/DE/Home/Boutique en ligne/DE/Home/Boutique en ligne/Ferrures pour verre/UK/Home/Boutique en ligne/Ferrures pour verre/Ferrures de meubles et de vitrines/DE/Home/Boutique en ligne/Ferrures pour verre/Ferrures de meubles et de vitrines/Home ES/Boutique en ligne/Home ES/Boutique en ligne/Ferrures pour verre/Home ES/Boutique en ligne/Ferrures pour verre/Ferrures de meubles et de vitrines/SE/Home/Boutique en ligne/Ferrures pour verre/Ferrures de meubles et de vitrines/boutique-en-ligne/ferrures-pour-verre/ferrures-de-meubles-et-de-vitrines/boutique-en-ligne/boutique-en-ligne/ferrures-pour-verre018e50bac1ed76ce8bf0c35226592d1a018e50bb1be67859a929e4c5bc3bd6890190104bbd4f745488cc81926fe14e210190104beb4675689b34351165d1709c01905d74ec5a7cb9a22a62ad6f7b346a01905d75002671d3bde490622370a83e01905d750f927774ac389f1bc7ee592a01905d751c8b7dbe89d67acbd6d21c1401905d75470f7ca79285ebdc8a21461001905d7584b57966a59712fdee1a88d701905d75b719778da8830895a707808c01905d75e59570bfad9e7d3133e4c310019730a561167ea5923a0fadfc39690d019730c8e5507da2ad3d80d085ea1c04057242474bc24aeba5a2f3093daf9d641560e2e901044847a6a0b9442c6e712615a3fe504bb14d32b085baa84b4870cc19b829eb01f14f9d8ee96b1f352d1ae81c80e3cdbd714c3aabfcf5df809670b91d26523802814b0e943ee6d9eca42ee22da5a780187f4e688a28d2264e7144e12e833712a6c1cd878442a1c3839fd1702f357f82b2f543beb254a29bf1f799642f6261dca980487c8a6f036a842733013232ef6a5429486c8b7192dd2a0054d534277a09ad51470eb88aa0c54553067036f7d6e065534f95a4eadf83142ff82c3763fcb89a2d4bb086df99f22f666282404e495c53614121a2c4966e71c11f8a5aa7627b91154164a24cddbca7fc87a560ca51a66680c3be5d489cb1cfa862bf66fcf6e886eb46e489e6dd64f4244cb7684b113e133a4ce6afdf0a557616c78e68f404c1501f45cea5d15bf6dd52c1cf72c7038908944dc59a5a76a095809397737cd764c4984152bad5d91d28a0df39756ac1bea115494f8afb03e28ba27e1075ad515d420d9f08dfeac744fa500658789540d56f0a4fc282cd9ba444bdf0ef7d88e757407d4891912b18061526d52197fa1fe428b0472e8415135381c042849e48ffa3bc35450bb62d7e0bf43a55e9a58adce92dc50f5e3456d80d75ad6dbfa89b71fbd79f4014b23f1e3062b788daa9563a6053a74518af2635139f6a024cb14885146b374c1280c9e14217b94f9dc38f097383d3471aa86eacf4dde1de93ce3353c8c4c342aaed8fce29ef53c252d3006fad0a924126ce61240230ba7fded35bd55425954faeacbd0e4eae78c7b9de2ff6a8c35248d0b02e447edd174957e0a742e5685b4438a7ca5d47d575dca2f04067f8262e41e890f040fe81565bf7fef50ad352314fada9d7e5fae0adb8e4ff929ad7e3b24b4da56890df93ad8716018e50bac1ed76ce8bf0c35226592d1a0190104bbd4f745488cc81926fe14e2101905d74ec5a7cb9a22a62ad6f7b346a01905d75002671d3bde490622370a83e01905d750f927774ac389f1bc7ee592a01905d751c8b7dbe89d67acbd6d21c14019730a561167ea5923a0fadfc39690d01905d75b719778da8830895a707808c66fcf6e886eb46e489e6dd64f4244cb768f404c1501f45cea5d15bf6dd52c1cf0190104beb4675689b34351165d1709c97fa1fe428b0472e8415135381c042849e48ffa3bc35450bb62d7e0bf43a55e9737cd764c4984152bad5d91d28a0df39019730c8e5507da2ad3d80d085ea1c04c38f097383d3471aa86eacf4dde1de9372c7038908944dc59a5a76a09580939719b829eb01f14f9d8ee96b1f352d1ae815a3fe504bb14d32b085baa84b4870cc756ac1bea115494f8afb03e28ba27e1034277a09ad51470eb88aa0c545530670a58adce92dc50f5e3456d80d75ad6dbf75ad515d420d9f08dfeac744fa50065801905d75470f7ca79285ebdc8a214610404e495c53614121a2c4966e71c11f8a7d88e757407d4891912b18061526d5211560e2e901044847a6a0b9442c6e7126789540d56f0a4fc282cd9ba444bdf0ef36f7d6e065534f95a4eadf83142ff82ce0a742e5685b4438a7ca5d47d575dca201905d75e59570bfad9e7d3133e4c310684b113e133a4ce6afdf0a557616c78ea9563a6053a74518af2635139f6a024c01905d7584b57966a59712fdee1a88d7fef50ad352314fada9d7e5fae0adb8e4a89b71fbd79f4014b23f1e3062b788da5aa7627b91154164a24cddbca7fc87a5ce3353c8c4c342aaed8fce29ef53c2521d26523802814b0e943ee6d9eca42ee260ca51a66680c3be5d489cb1cfa862bf018e50bb1be67859a929e4c5bc3bd689f04067f8262e41e890f040fe81565bf7ff929ad7e3b24b4da56890df93ad87163763fcb89a2d4bb086df99f22f666282Les raccords d'angle filigranes pour verre sont fabriqués en laiton nickelé de haute qualité. Ils permettent d'assembler facilement et à tout moment des plaques de verre. Bien entendu, vous pouvez également utiliser ces raccords pour d'autres matériaux en plaques, comme l'acrylique par exemple1199998.8