Átfogó rendszerkarbantartási munkálatok miatt 2026. május 13-án 16:00 órától 2026. május 17-ig nem lehet bejelentkezni a Bohle online áruházba, és nem lehet megrendeléseket leadni. A termékinformációk, a tartalmak és a letölthető fájlok továbbra is elérhetők maradnak. Köszönjük megértésüket.
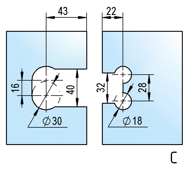
A Juna® üveg-üveg 180°-os lengő ajtópánt pánt 32 kg teherbírású. Segítségével akár 0,8 x 2 m 8 mm-es ajtók is megvalósíthatók.
A lehető legkisebb rés méreteknek köszönhető minőségi megjelenés, a tökéletes nullapont-beállítás és a pontosan illeszkedő takarókupakok teszik a Juna®-t a Bohle egyik legnépszerűbb zuhanyajtó-pánt sorozatává. A kiváló minőségű anyagoknak köszönhetően a Juna® ellenáll a nedvességnek, a korróziónak és a hőmérséklet-ingadozásoknak, így ideális megoldás szaunaajtókhoz.
A Juna® termékcsaládról:
A Bohle által kifejlesztett és formatervezett Juna zuhanykabin pántaz esztétikát és a funkcionalitást ötvözi a "Made in Germany" minőséggel. Ezért a Juna® zuhanyajtó pánt sorozatra öt év önkéntes gyártói garanciát vállalunk. A lehető legminimálisabb rés méretek és az összes csavar lefedése még tovább hangsúlyozza a lengőajtó vasalat minőségi megjelenését. A Juna emellett sok szempontból is igen könnyen beszerelhető: A nullpozíció állító csavarja ennek megfelelően igen könnyen elérhető, így kényelmesen beállítható. Az innovatív befeszítési technológiának köszönhetően a zsanér tengelye mentes a zavaró bevágásoktól, így a nullpozíció milliméterre pontosan beállítható. Az beszorító csavarok és a nullaállás rögzítőcsavarok egységes csavarfejekkel rendelkeznek, ezért gyorsan egyetlen szerszámmal meghúzhatók. A középen elhelyezkedő csavarlemez optimálisan elhelyezett borítólapot biztosít. A stabil csatlakozás kiváló szilárdságot és precíz beállíthatóságot biztosít. A zsanér belsejében felhasznált kiváló minőségű sárgaréz és rozsdamentes acél alkatrészek biztosítják a termék hosszú élettartamát és robusztusságát, ezért a Juna® nemcsak a zuhanyajtókhoz, hanem akár szaunaajtókhoz is kiválóan alkalmas. Így a legjobb előfeltételeket biztosítja az egységes belső építészeti kialakításhoz. A DIN 14428:2015-09 szabvány 5.5. szakasza szerint végzett hosszadalmas tesztelési eljárások 100.000 tesztciklussal igazolják a zuhanyajtó pántjának kiváló minőségét (szaunaajtókban történő alkalmazás esetén: 20.000 ciklus). A Juna® zuhanyajtó pántok profil nélküli beszerelést tesznek lehetővé. Tömítőprofilok alkalmazásával a víz kiszivárgása is minimálisra csökkenthető. A tömítőprofilokat a pántok területén meg kell szakítani.
Mindent megmutatniKevesebb mutatása
Kizárólag privát szaunákhoz használható (gőzfürdőkben vagy uszodákban nem használható).
Az Ön előnyei
Tökéletes nullpozíció beállítása innovatív feszítési technológiával
Kiváló minőségű kialakítás minimális hézagokkal és rejtett csavarokkal
Hatékony összeszerelés egyetlen szerszámmal
A takarókupakok pontos és szoros illeszkedése
Szaunában való használatra
Műszaki részletek
Ajtófajta
Lengőajtó
Ajtó magassága max.
2.000 mm
Ajtószélesség max.
800 mm
Ajtó súlya páronként max.
32 kg
Anyag
Sárgaréz, V2A nemesacél
Csavarok a pánton lefedve
Igen
Egy síkban
Nem
Felemelés-süllyesztés funkció
Nem
Felület
Katódos bevonattal (KTL)
Fényességi szint
Matt
Nyitási szög
90°
Rejtett falra szerelés
Igen
Szerelési fajta
Üveg-üveg
Szín
Fekete
Termék sorozat
Juna®
Visszaviteli zóna
Igen
Állítható nulla pozíció
Igen
Önzáró ..-tól
20°
Önzáró funkció
Nem
Üvegfeldolgozás szükséges
Igen
Üvegvastagság ESG
6 - 10 mm
Mindent megmutatniKevesebb mutatása
Szállítási terjedelem
1 Pár
Letöltések
pdf
Instructions
BO54103xxS - Juna Sauna - Hinge - Glass-Glass 180° - Instruction Manual
1b9be001d6c41aa3b0c30004ac1deadfJuna® zuhanyajtó pánt, üveg-üveg 180° szaunákhozhttps://www.bohle.com/at-HU/Juna-zuhanyajto-pant-ueveg-ueveg-1800-szaunakhoz/BO5410302Shttps://media.bohle.com/media/83/26/28/1772530936/BO5410302-PF1-2D.png?ts=1778379927InStock1199998.8EURBO5410302S1b9be001d6c41aa3b0c30004ac1deadfFekete mattLengőajtóMattNemIgenSárgaréz, V2A nemesacél20°IgenFekete6 - 10 mm90°IgenNemIgen32 kgÜveg-üveg800 mmKatódos bevonattal (KTL)IgenJuna®2.000 mmNem200A lehető legkisebb rés méreteknek köszönhető minőségi megjelenés, a tökéletes nullapont-beállítás és a pontosan illeszkedő takarókupakok teszik a Juna®-t a Bohle egyik legnépszerűbb zuhanyajtó-pánt sorozatává. A kiváló minőségű anyagoknak köszönhetően a Juna® ellenáll a nedvességnek, a korróziónak és a hőmérséklet-ingadozásoknak, így ideális megoldás szaunaajtókhoz.
https://media.bohle.com/media/ea/06/aa/1700108112/Bohle_Logo_2020_blau.png?ts=1723864506{"extensions":[],"displayParent":false,"mainVariantId":null,"configuratorGroupConfig":[{"id":"826d83a67d90466488545267b0bd0b4e","expressionForListings":true}],"displayCheapestVariant":null,"displayMainVariant":null}truetrueSzauna, zuhanyajtó, BO 5410302S, BO5410302S, 5410302S1b9be001d6c41aa3b0c30004ac1deadfJuna® zuhanyajtó pánt, üveg-üveg 180° szaunákhoz1199998.81199998.8https://www.bohle.com/at-HU/Juna-zuhanyajto-pant-ueveg-ueveg-1800-szaunakhoz/BO5410302Shttps://media.bohle.com/media/83/26/28/1772530936/BO5410302-PF1-2D.png?ts=1778379927InStockBO5410302S1b9be001d6c41aa3b0c30004ac1deadfFekete mattLengőajtóMattNemIgenSárgaréz, V2A nemesacél20°IgenFekete6 - 10 mm90°IgenNemIgen32 kgÜveg-üveg800 mmKatódos bevonattal (KTL)IgenJuna®2.000 mmNem200A lehető legkisebb rés méreteknek köszönhető minőségi megjelenés, a tökéletes nullapont-beállítás és a pontosan illeszkedő takarókupakok teszik a Juna®-t a Bohle egyik legnépszerűbb zuhanyajtó-pánt sorozatává. A kiváló minőségű anyagoknak köszönhetően a Juna® ellenáll a nedvességnek, a korróziónak és a hőmérséklet-ingadozásoknak, így ideális megoldás szaunaajtókhoz.
https://media.bohle.com/media/ea/06/aa/1700108112/Bohle_Logo_2020_blau.png?ts=1723864506{"extensions":[],"displayParent":false,"mainVariantId":null,"configuratorGroupConfig":[{"id":"826d83a67d90466488545267b0bd0b4e","expressionForListings":true}],"displayCheapestVariant":null,"displayMainVariant":null}truetrueSzauna, zuhanyajtó, BO 5410302S, BO5410302S, 5410302S/Home ES/BX/BX/Home/IT/SE/INT/ZA/IT/Home/SE/Home/INT/Home/ZA/Home/BALTIC/BALTIC/Home BALTIC/AT/AT/Home/AT/Home/Online bolt/AT/Home/Online bolt/Üvegszerelvények/AT/Home/Online bolt/Üvegszerelvények/Fürdő és zuhanyzó/AT/Home/Online bolt/Üvegszerelvények/Fürdő és zuhanyzó/Zuhanyajtó pántok/AT/Home/Online bolt/Üvegszerelvények/Fürdő és zuhanyzó/Zuhanyajtó pántok/Csuklópántok/FR/BX/Home/Online Shop/BX/Home/Online Shop/Üvegszerelvények/UK/UK/Home/UK/Home/Online Shop/BALTIC/Home BALTIC/Online bolt/BALTIC/Home BALTIC/Online bolt/Üvegszerelvények/BALTIC/Home BALTIC/Online bolt/Üvegszerelvények/Fürdő és zuhanyzó/BALTIC/Home BALTIC/Online bolt/Üvegszerelvények/Fürdő és zuhanyzó/Zuhanyajtó zsanérok/BALTIC/Home BALTIC/Online bolt/Üvegszerelvények/Fürdő és zuhanyzó/Zuhanyajtó zsanérok/Csuklópántok/UK/Home/Online Shop/Üvegszerelvények/UK/Home/Online Shop/Üvegszerelvények/Fürdő és zuhanyzó/IT/Home/Online bolt/IT/Home/Online bolt/Üvegszerelvények/IT/Home/Online bolt/Üvegszerelvények/Fürdő és zuhanyzó/IT/Home/Online bolt/Üvegszerelvények/Fürdő és zuhanyzó/Zuhanyajtó zsanérok/FR/Home/FR/Home/Online Shop/SE/Home/Webáruház/SE/Home/Webáruház/Üvegszerelvények/Home ES/Online Shop/Home ES/Online Shop/Üvegszerelvények/Home ES/Online Shop/Üvegszerelvények/Fürdő és zuhanyzó/UK/Home/Online Shop/Üvegszerelvények/Fürdő és zuhanyzó/Zuhanyajtó zsanérok/UK/Home/Online Shop/Üvegszerelvények/Fürdő és zuhanyzó/Zuhanyajtó zsanérok/Csuklópántok/DE/DE/Home/DE/Home/Online bolt/DE/Home/Online bolt/Üvegszerelvények/DE/Home/Online bolt/Üvegszerelvények/Fürdő és zuhanyzó/BX/Home/Online Shop/Üvegszerelvények/Fürdő és zuhanyzó/BX/Home/Online Shop/Üvegszerelvények/Fürdő és zuhanyzó/Zuhanyajtó zsanérok/ZA/Home/Online Shop/ZA/Home/Online Shop/Üvegszerelvények/ZA/Home/Online Shop/Üvegszerelvények/Fürdő és zuhanyzó/ZA/Home/Online Shop/Üvegszerelvények/Fürdő és zuhanyzó/Zuhanyajtó zsanérok/ZA/Home/Online Shop/Üvegszerelvények/Fürdő és zuhanyzó/Zuhanyajtó zsanérok/Csuklópántok/INT/Home/Online bolt/INT/Home/Online bolt/Üvegszerelvények/Home ES/Online Shop/Üvegszerelvények/Fürdő és zuhanyzó/Zuhanyajtó zsanérok/FR/Home/Online Shop/Üvegszerelvények/FR/Home/Online Shop/Üvegszerelvények/Fürdő és zuhanyzó/Home ES/Online Shop/Üvegszerelvények/Fürdő és zuhanyzó/Zuhanyajtó zsanérok/Csuklópántok/DE/Home/Online bolt/Üvegszerelvények/Fürdő és zuhanyzó/Zuhanyajtó zsanérok/DE/Home/Online bolt/Üvegszerelvények/Fürdő és zuhanyzó/Zuhanyajtó zsanérok/Csuklópántok/SE/Home/Webáruház/Üvegszerelvények/Fürdő és zuhanyzó/SE/Home/Webáruház/Üvegszerelvények/Fürdő és zuhanyzó/Zuhanyajtó zsanérok/SE/Home/Webáruház/Üvegszerelvények/Fürdő és zuhanyzó/Zuhanyajtó zsanérok/Csuklópántok/FR/Home/Online Shop/Üvegszerelvények/Fürdő és zuhanyzó/Zuhanyajtó zsanérok/INT/Home/Online bolt/Üvegszerelvények/Fürdő és zuhanyzó/IT/Home/Online bolt/Üvegszerelvények/Fürdő és zuhanyzó/Zuhanyajtó zsanérok/Csuklópántok/BX/Home/Online Shop/Üvegszerelvények/Fürdő és zuhanyzó/Zuhanyajtó zsanérok/Csuklópántok/FR/Home/Online Shop/Üvegszerelvények/Fürdő és zuhanyzó/Zuhanyajtó zsanérok/Csuklópántok/INT/Home/Online bolt/Üvegszerelvények/Fürdő és zuhanyzó/Zuhanyajtó zsanérok/INT/Home/Online bolt/Üvegszerelvények/Fürdő és zuhanyzó/Zuhanyajtó zsanérok/Csuklópántok/online-bolt/uevegszerelvenyek/fuerdo-es-zuhanyzo/zuhanyajto-pantok/csuklopantok/online-bolt/uevegszerelvenyek/fuerdo-es-zuhanyzo/zuhanyajto-pantok/online-bolt/uevegszerelvenyek/online-bolt/online-bolt/uevegszerelvenyek/fuerdo-es-zuhanyzo018e50bac1ed76ce8bf0c35226592d1a018e50bb1be67859a929e4c5bc3bd6890190104bbd4f745488cc81926fe14e210190104beb4675689b34351165d1709c01905d74ec5a7cb9a22a62ad6f7b346a01905d75002671d3bde490622370a83e01905d750f927774ac389f1bc7ee592a01905d751c8b7dbe89d67acbd6d21c1401905d75470f7ca79285ebdc8a21461001905d7584b57966a59712fdee1a88d701905d75b719778da8830895a707808c01905d75e59570bfad9e7d3133e4c310019730a561167ea5923a0fadfc39690d019730c8e5507da2ad3d80d085ea1c04113cf13a64774b23ac6fcb408750ccd41560e2e901044847a6a0b9442c6e712615a3fe504bb14d32b085baa84b4870cc19b829eb01f14f9d8ee96b1f352d1ae81a60ec24a1384c5f9066f37bf0167bf31d26523802814b0e943ee6d9eca42ee2283b041df1e547c5b59701b8d1388eee300155dd8adb4779975c2d2de42f0a2f304a033402934e11876cb4a4a92a140334277a09ad51470eb88aa0c54553067036f7d6e065534f95a4eadf83142ff82c3763fcb89a2d4bb086df99f22f666282404e495c53614121a2c4966e71c11f8a40b191f230174db4ad909017143c7e8143469537b8ca2c5e6a97371388e7d4fa484e6e9fb19f4b35a5f87425b504c9584de502435c574f5db870e2b6f8fed6415381b49a9bdeee846dbd999ac06c80035aa7627b91154164a24cddbca7fc87a55aad239ba00c4ac2a2cdd73308c99b665b7c842f6c6340e88181d467fd1ef54260ca51a66680c3be5d489cb1cfa862bf66fcf6e886eb46e489e6dd64f4244cb767780089f6be4d529b1dc2fdb78e7042684b113e133a4ce6afdf0a557616c78e68f404c1501f45cea5d15bf6dd52c1cf72c7038908944dc59a5a76a095809397737cd764c4984152bad5d91d28a0df39756ac1bea115494f8afb03e28ba27e1075ad515d420d9f08dfeac744fa50065876e9b0d9f12c41b291dc8177a11bea70789540d56f0a4fc282cd9ba444bdf0ef7ac787c97b304a538f158297cc1185d57d88e757407d4891912b18061526d5217f93944c82c34bf196fdc96753b5b2cd7fa945348820495696191318882f9fff92395593106240dabe2f9a084adb2706975c0400b53e44fe81fcbe5353e593a097fa1fe428b0472e8415135381c042849e48ffa3bc35450bb62d7e0bf43a55e9a58adce92dc50f5e3456d80d75ad6dbfa89b71fbd79f4014b23f1e3062b788daa9164d12f8754e669c9646c862f789e4a9563a6053a74518af2635139f6a024caaa7170731eb4681a2605d76693ec824af479c1851f84517b340cfaa3d4fa32db4a0e3b57ae546b4b018896095bfe018bfe04318f626421fac4d0a9d3dd23e88c38f097383d3471aa86eacf4dde1de93cb30aad30668e6a2d7b81eb6a183c79ace3353c8c4c342aaed8fce29ef53c252d7949beb8a39424f889a8b40a8a6c6afdd409812401b4ca69a950743d8dad7d6e0a742e5685b4438a7ca5d47d575dca2ea85c8b96cfcc790d5b30bf6eca0852aed49ad82de7b48d18974022c7c948f68eddb97ce56cc476c9f6b4ab5c1571c31eef7f8c21aaa42c0b27f5c9f39b49435f04067f8262e41e890f040fe81565bf7f252054cdb9c48b1897369e0455f52ecf93c7db3964c488290c27af7525ae07bfef50ad352314fada9d7e5fae0adb8e4ff929ad7e3b24b4da56890df93ad8716018e50bac1ed76ce8bf0c35226592d1a0190104bbd4f745488cc81926fe14e2101905d74ec5a7cb9a22a62ad6f7b346a01905d75002671d3bde490622370a83e01905d750f927774ac389f1bc7ee592a01905d751c8b7dbe89d67acbd6d21c14019730a561167ea5923a0fadfc39690d756ac1bea115494f8afb03e28ba27e1034277a09ad51470eb88aa0c545530670a58adce92dc50f5e3456d80d75ad6dbf75ad515d420d9f08dfeac744fa500658cb30aad30668e6a2d7b81eb6a183c79a43469537b8ca2c5e6a97371388e7d4fa0190104beb4675689b34351165d1709c97fa1fe428b0472e8415135381c042849e48ffa3bc35450bb62d7e0bf43a55e9737cd764c4984152bad5d91d28a0df39019730c8e5507da2ad3d80d085ea1c04c38f097383d3471aa86eacf4dde1de9372c7038908944dc59a5a76a095809397304a033402934e11876cb4a4a92a1403ed49ad82de7b48d18974022c7c948f6819b829eb01f14f9d8ee96b1f352d1ae81d26523802814b0e943ee6d9eca42ee201905d75470f7ca79285ebdc8a214610404e495c53614121a2c4966e71c11f8a7d88e757407d4891912b18061526d521484e6e9fb19f4b35a5f87425b504c9581560e2e901044847a6a0b9442c6e7126789540d56f0a4fc282cd9ba444bdf0ef01905d7584b57966a59712fdee1a88d7fef50ad352314fada9d7e5fae0adb8e4018e50bb1be67859a929e4c5bc3bd689f04067f8262e41e890f040fe81565bf7ff929ad7e3b24b4da56890df93ad8716283b041df1e547c5b59701b8d1388eee67780089f6be4d529b1dc2fdb78e7042a89b71fbd79f4014b23f1e3062b788da5aa7627b91154164a24cddbca7fc87a5ce3353c8c4c342aaed8fce29ef53c25260ca51a66680c3be5d489cb1cfa862bf15a3fe504bb14d32b085baa84b4870cc7ac787c97b304a538f158297cc1185d501905d75e59570bfad9e7d3133e4c310684b113e133a4ce6afdf0a557616c78ea9563a6053a74518af2635139f6a024ceef7f8c21aaa42c0b27f5c9f39b49435b4a0e3b57ae546b4b018896095bfe01801905d75b719778da8830895a707808c66fcf6e886eb46e489e6dd64f4244cb740b191f230174db4ad909017143c7e8136f7d6e065534f95a4eadf83142ff82ce0a742e5685b4438a7ca5d47d575dca276e9b0d9f12c41b291dc8177a11bea705381b49a9bdeee846dbd999ac06c8003ea85c8b96cfcc790d5b30bf6eca0852a3763fcb89a2d4bb086df99f22f666282f252054cdb9c48b1897369e0455f52ecaaa7170731eb4681a2605d76693ec8247f93944c82c34bf196fdc96753b5b2cd68f404c1501f45cea5d15bf6dd52c1cf300155dd8adb4779975c2d2de42f0a2f5aad239ba00c4ac2a2cdd73308c99b66a9164d12f8754e669c9646c862f789e4af479c1851f84517b340cfaa3d4fa32df93c7db3964c488290c27af7525ae07bBohleA Juna® üveg-üveg 180°-os lengő ajtópánt pánt 32 kg teherbírású. Segítségével akár 0,8 x 2 m 8 mm-es ajtók is megvalósíthatók.1199998.8https://media.bohle.com/media/ec/0b/37/1772530328/Image_Juna-black.png?ts=1778379927https://media.bohle.com/media/87/ce/bc/1772535732/Juna-MB1-2D.png?ts=1778379927