Bisagras Vitreasy para muebles de vidrio para fijar fácilmente puertas de vidrio a paneles laterales de vidrio de, p. ej., vitrinas totalmente de vidrio. Disponibles en varios tamaños y con y sin procesado del vidrio.
Consejos de aplicación:
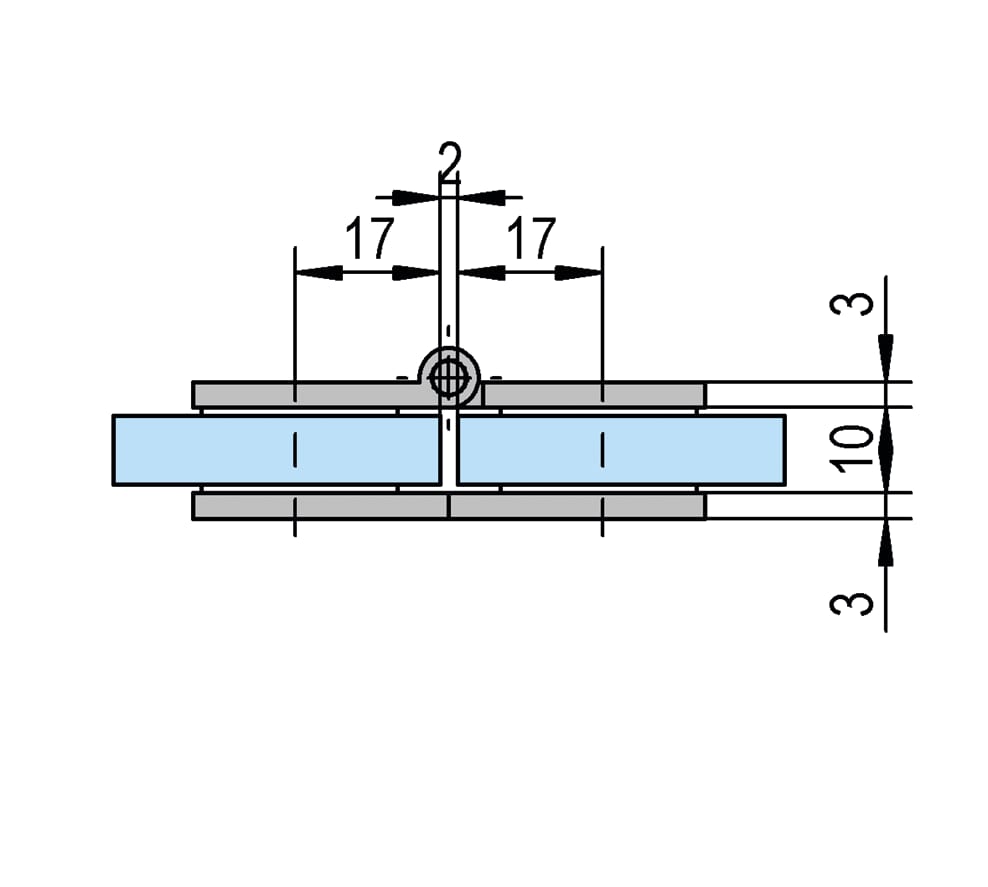
Eje de la bisagra exterior, sujeción interior
Sus ventajas
Numerosas versiones disponibles
Latón macizo
Puede utilizarse DIN izquierda y derecha
Ficha técnica
Ajustabilidad 3D
No
Altura
60 mm
Altura de la puerta
1000 mm
Ancho
60 mm
Ancho de la puerta
500 mm
Contenido del envase
1 Pieza
Descarga
No
Dirección DIN
DIN izquierda y DIN derecha
Espesor del vidrio
6 - 8 mm
Forma
Cuadrado
Material
Latón
Nivel de brillo
Brillante
Peso máximo de la puerta por pareja
10 kg
Serie de productos
Vitreasy 008
Tipo de fijación
Atornillado
Tipo de montaje
Vidrio-vidrio
Tipo de puerta
Puerta con tope
Tratamiento de superficie
Cromado
Ángulo de apertura
180°
Mostrar todoMostrar menos
Planos
jpg
BO5200067_Z1.jpg
jpg
BO5200067_Z2.jpg
jpg
BO5200067_Z3.jpg
jpg
BO5200067_Z4.jpg
jpg
BO5200067_Z5.jpg
jpg
BO5200067_Z6.jpg
Inicie sesión para ver más planos:
product
37e11001c8c61a79b0c00004ac1deadfVitreasy 008 Bisagra para muebles, vidrio-vidriohttps://www.bohle.com/es-ES/Vitreasy-008-Bisagra-para-muebles-vidrio-vidrio/BO5200067https://media.bohle.com/media/e8/4d/91/1772534934/BO_5200067_PF1_C.png?ts=1772534934InStock1209998.79EURBO520006737e11001c8c61a79b0c00004ac1deadf60 mm60 mmAtornillado1 PiezaCuadrado180°LatónCromado brillante6 - 8 mm500 mmNoCromado10 kgDIN izquierda y DIN derechaVidrio-vidrio1000 mmNoPuerta con topeVitreasy 008Brillante200{"extensions":[],"displayParent":false,"mainVariantId":null,"configuratorGroupConfig":[{"id":"b56e965fdc6c776455a99c4f7973b3b0","expressionForListings":true},{"id":"b2a81c8312acd82da14cc76665e6bb5c","expressionForListings":true},{"id":"1ab94a8d5069e4aa384d3fedab46f068","expressionForListings":true}],"displayCheapestVariant":null,"displayMainVariant":null}truetrueBisagra para puerta de vidrio, bisagra para puerta de mueble, BO 5200067, BO5200067, 520006737e11001c8c61a79b0c00004ac1deadfVitreasy 008 Bisagra para muebles, vidrio-vidrio1209998.791209998.79https://www.bohle.com/es-ES/Vitreasy-008-Bisagra-para-muebles-vidrio-vidrio/BO5200067https://media.bohle.com/media/e8/4d/91/1772534934/BO_5200067_PF1_C.png?ts=1772534934InStockBO520006737e11001c8c61a79b0c00004ac1deadf60 mm60 mmAtornillado1 PiezaCuadrado180°LatónCromado brillante6 - 8 mm500 mmNoCromado10 kgDIN izquierda y DIN derechaVidrio-vidrio1000 mmNoPuerta con topeVitreasy 008Brillante200{"extensions":[],"displayParent":false,"mainVariantId":null,"configuratorGroupConfig":[{"id":"b56e965fdc6c776455a99c4f7973b3b0","expressionForListings":true},{"id":"b2a81c8312acd82da14cc76665e6bb5c","expressionForListings":true},{"id":"1ab94a8d5069e4aa384d3fedab46f068","expressionForListings":true}],"displayCheapestVariant":null,"displayMainVariant":null}truetrueBisagra para puerta de vidrio, bisagra para puerta de mueble, BO 5200067, BO5200067, 5200067/Home ES/BX/BX/Home/IT/SE/INT/ZA/IT/Home/SE/Home/INT/Home/ZA/Home/BALTIC/BALTIC/Home BALTIC/INT/Home/Tienda online/INT/Home/Tienda online/Accesorios de vidrio/INT/Home/Tienda online/Accesorios de vidrio/Herrajes para muebles y vitrinas/FR/BX/Home/Tienda online/BX/Home/Tienda online/Accesorios de vidrio/UK/UK/Home/UK/Home/Tienda online/BALTIC/Home BALTIC/Tienda online/BALTIC/Home BALTIC/Tienda online/Accesorios de vidrio/BALTIC/Home BALTIC/Tienda online/Accesorios de vidrio/Herrajes para muebles y vitrinas/UK/Home/Tienda online/Accesorios de vidrio/BX/Home/Tienda online/Accesorios de vidrio/Herrajes para muebles y vitrinas/AT/AT/Home/AT/Home/Tienda online/AT/Home/Tienda online/Accesorios de vidrio/AT/Home/Tienda online/Accesorios de vidrio/Herrajes para muebles y vitrinas/IT/Home/Tienda online/IT/Home/Tienda online/Accesorios de vidrio/IT/Home/Tienda online/Accesorios de vidrio/Herrajes para muebles y vitrinas/FR/Home/FR/Home/Tienda online/FR/Home/Tienda online/Accesorios de vidrio/FR/Home/Tienda online/Accesorios de vidrio/Herrajes para muebles y vitrinas/ZA/Home/Tienda online/ZA/Home/Tienda online/Accesorios de vidrio/ZA/Home/Tienda online/Accesorios de vidrio/Herrajes para muebles y vitrinas/SE/Home/Tienda online/SE/Home/Tienda online/Accesorios de vidrio/DE/DE/Home/DE/Home/Tienda online/DE/Home/Tienda online/Accesorios de vidrio/ZA/Home/Tienda online/Accesorios de vidrio/Herrajes para muebles y vitrinas/Bisagras de vidrio para muebles/AT/Home/Tienda online/Accesorios de vidrio/Herrajes para muebles y vitrinas/Bisagras de vidrio para muebles/Home ES/Tienda online/Home ES/Tienda online/Accesorios de vidrio/Home ES/Tienda online/Accesorios de vidrio/Herrajes para muebles y vitrinas/Home ES/Tienda online/Accesorios de vidrio/Herrajes para muebles y vitrinas/Bisagras de vidrio para muebles/FR/Home/Tienda online/Accesorios de vidrio/Herrajes para muebles y vitrinas/Bisagras de vidrio para muebles/IT/Home/Tienda online/Accesorios de vidrio/Herrajes para muebles y vitrinas/Bisagras de vidrio para muebles/BALTIC/Home BALTIC/Tienda online/Accesorios de vidrio/Herrajes para muebles y vitrinas/Bisagras de vidrio para muebles/UK/Home/Tienda online/Accesorios de vidrio/Herrajes para muebles y vitrinas/UK/Home/Tienda online/Accesorios de vidrio/Herrajes para muebles y vitrinas/Bisagras de vidrio para muebles/DE/Home/Tienda online/Accesorios de vidrio/Herrajes para muebles y vitrinas/DE/Home/Tienda online/Accesorios de vidrio/Herrajes para muebles y vitrinas/Bisagras de vidrio para muebles/SE/Home/Tienda online/Accesorios de vidrio/Herrajes para muebles y vitrinas/SE/Home/Tienda online/Accesorios de vidrio/Herrajes para muebles y vitrinas/Bisagras de vidrio para muebles/BX/Home/Tienda online/Accesorios de vidrio/Herrajes para muebles y vitrinas/Bisagras de vidrio para muebles/INT/Home/Tienda online/Accesorios de vidrio/Herrajes para muebles y vitrinas/Bisagras de vidrio para muebles/tienda-en-linea/accesorios-de-vidrio/muebles-y-vitrinas/tienda-en-linea/accesorios-de-vidrio/muebles-y-vitrinas/bisagras-de-cristal-para-muebles/tienda-online/accesorios-de-vidrio/herrajes-para-muebles-y-vitrinas/bisagras-de-vidrio-para-muebles/tienda-online/accesorios-de-vidrio/herrajes-para-muebles-y-vitrinas/tienda-online/tienda-online/accesorios-de-vidrio018e50bac1ed76ce8bf0c35226592d1a018e50bb1be67859a929e4c5bc3bd6890190104bbd4f745488cc81926fe14e210190104beb4675689b34351165d1709c01905d74ec5a7cb9a22a62ad6f7b346a01905d75002671d3bde490622370a83e01905d750f927774ac389f1bc7ee592a01905d751c8b7dbe89d67acbd6d21c1401905d75470f7ca79285ebdc8a21461001905d7584b57966a59712fdee1a88d701905d75b719778da8830895a707808c01905d75e59570bfad9e7d3133e4c310019730a561167ea5923a0fadfc39690d019730c8e5507da2ad3d80d085ea1c04057242474bc24aeba5a2f3093daf9d641560e2e901044847a6a0b9442c6e712615a3fe504bb14d32b085baa84b4870cc19b829eb01f14f9d8ee96b1f352d1ae81c80e3cdbd714c3aabfcf5df809670b91d26523802814b0e943ee6d9eca42ee22da5a780187f4e688a28d2264e7144e12e833712a6c1cd878442a1c3839fd1702f357f82b2f543beb254a29bf1f799642f6261dca980487c8a6f036a842733013232ef6a5429486c8b7192dd2a0054d534277a09ad51470eb88aa0c54553067036f7d6e065534f95a4eadf83142ff82c3763fcb89a2d4bb086df99f22f666282404e495c53614121a2c4966e71c11f8a5aa7627b91154164a24cddbca7fc87a560ca51a66680c3be5d489cb1cfa862bf66fcf6e886eb46e489e6dd64f4244cb7684b113e133a4ce6afdf0a557616c78e68f404c1501f45cea5d15bf6dd52c1cf7207901f1aca46328e79f7bd27b943e072c7038908944dc59a5a76a095809397737cd764c4984152bad5d91d28a0df39756ac1bea115494f8afb03e28ba27e1075ad515d420d9f08dfeac744fa500658761b67080bb4deca3c71491d3c860c14789540d56f0a4fc282cd9ba444bdf0ef7d88e757407d4891912b18061526d521836497d224ba4846ba07b9603c74cd488b825f65cdb44c8785674705786dd8138f980f7795cb499aaabb82e2da1373d397fa1fe428b0472e8415135381c042849e48ffa3bc35450bb62d7e0bf43a55e9a58adce92dc50f5e3456d80d75ad6dbfa89b71fbd79f4014b23f1e3062b788daa9563a6053a74518af2635139f6a024cb0d3169f09514341a4be9a4dbeac148cb14885146b374c1280c9e14217b94f9db484f28352fd4f64b5214a60aecac837c03a296fc2b23e7ea01ed6ac59f5c981c38f097383d3471aa86eacf4dde1de93c687771960114e72bbace6c2b7705d72ce3353c8c4c342aaed8fce29ef53c252d3006fad0a924126ce61240230ba7fded35bd55425954faeacbd0e4eae78c7b9daf4c0cc42b14abfb8380fb4f018586ade2ff6a8c35248d0b02e447edd174957e0a742e5685b4438a7ca5d47d575dca2f04067f8262e41e890f040fe81565bf7f6b1f6964eaa40ceb5a4920c6f6e70dbfef50ad352314fada9d7e5fae0adb8e4ff929ad7e3b24b4da56890df93ad8716018e50bac1ed76ce8bf0c35226592d1a0190104bbd4f745488cc81926fe14e2101905d74ec5a7cb9a22a62ad6f7b346a01905d75002671d3bde490622370a83e01905d750f927774ac389f1bc7ee592a01905d751c8b7dbe89d67acbd6d21c14019730a561167ea5923a0fadfc39690d01905d75b719778da8830895a707808c66fcf6e886eb46e489e6dd64f4244cb768f404c1501f45cea5d15bf6dd52c1cf0190104beb4675689b34351165d1709c97fa1fe428b0472e8415135381c042849e48ffa3bc35450bb62d7e0bf43a55e9737cd764c4984152bad5d91d28a0df39019730c8e5507da2ad3d80d085ea1c04c38f097383d3471aa86eacf4dde1de9372c7038908944dc59a5a76a09580939719b829eb01f14f9d8ee96b1f352d1ae815a3fe504bb14d32b085baa84b4870cc756ac1bea115494f8afb03e28ba27e1034277a09ad51470eb88aa0c545530670a58adce92dc50f5e3456d80d75ad6dbf75ad515d420d9f08dfeac744fa50065801905d75470f7ca79285ebdc8a214610404e495c53614121a2c4966e71c11f8a7d88e757407d4891912b18061526d5211560e2e901044847a6a0b9442c6e7126789540d56f0a4fc282cd9ba444bdf0ef36f7d6e065534f95a4eadf83142ff82ce0a742e5685b4438a7ca5d47d575dca201905d75e59570bfad9e7d3133e4c310684b113e133a4ce6afdf0a557616c78ea9563a6053a74518af2635139f6a024c01905d7584b57966a59712fdee1a88d7fef50ad352314fada9d7e5fae0adb8e4a89b71fbd79f4014b23f1e3062b788da5aa7627b91154164a24cddbca7fc87a5ce3353c8c4c342aaed8fce29ef53c2523232ef6a5429486c8b7192dd2a0054d52e833712a6c1cd878442a1c3839fd170018e50bb1be67859a929e4c5bc3bd689f04067f8262e41e890f040fe81565bf7ff929ad7e3b24b4da56890df93ad8716d35bd55425954faeacbd0e4eae78c7b92f6261dca980487c8a6f036a842733012f357f82b2f543beb254a29bf1f799641c80e3cdbd714c3aabfcf5df809670b91d26523802814b0e943ee6d9eca42ee2b14885146b374c1280c9e14217b94f9d60ca51a66680c3be5d489cb1cfa862bfd3006fad0a924126ce61240230ba7fde3763fcb89a2d4bb086df99f22f666282de2ff6a8c35248d0b02e447edd1749572da5a780187f4e688a28d2264e7144e1057242474bc24aeba5a2f3093daf9d64Bisagras Vitreasy para muebles de vidrio para fijar fácilmente puertas de vidrio a paneles laterales de vidrio de, p. ej., vitrinas totalmente de vidrio. Disponibles en varios tamaños y con y sin procesado del vidrio.1209998.79