Les recordamos que el último día de envío y recogida es el 19 de diciembre de 2025. Nuestra empresa permanecerá cerrada del 24 de diciembre de 2025 al 3 de enero de 2026.
  • Home ES
  • Tienda online
  • Accesorios de vidrio
  • Herrajes para muebles y vitrinas

Soporte para estante de vidrio cóncavo

Número de producto: BO5207321

Descripción

Soporte para estantes de vidrio de zinc fundido a presión con una forma inusual. La prolongación cóncava del soporte hacia arriba aumenta la estabilidad. Una abrazadera ajustable individualmente impide de forma segura que las estantes de vidrio se salgan.

 

Consejos de aplicación:
La capacidad de carga y la anchura máxima del vidrio se refieren a un par

Sus ventajas

  • Mayor estabilidad gracias a la prolongación del soporte mural
  • No requiere mecanizado del vidrio
  • La protección de plástico del vidrio está incluida en el volumen de suministro

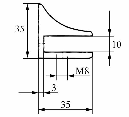
Ficha técnica

Altura
35 mm
Ancho
50 mm
Ancho máx.
600 mm
Capacidad de carga
5 kg
Contenido del envase
1 Pieza
Espesor del vidrio
8 - 10 mm
Forma
Convexo
Material
Fundición a presión de zinc
Nivel de brillo
Brillante
Profundidad
35 mm
Proyección máx.
200 mm
Se requiere tratamiento del vidrio
No
Tipo de montaje
Vidrio-pared
Tratamiento de superficie
Cromado
Mostrar todo Mostrar menos

Planos

jpg
BO_5207321_PZ2_C.jpg
Seleccione su localidad