Les recordamos que el último día de envío y recogida es el 19 de diciembre de 2025. Nuestra empresa permanecerá cerrada del 24 de diciembre de 2025 al 3 de enero de 2026.
La forma más sencilla de montar puertas correderas para muebles con Dura / Durus. En lugar de perfiles de sujeción de vidrio con carros, aquí los cristales se colocan y se desplazan directamente sobre superficies deslizantes de un plástico especial tribotécnicamente optimizado. Esto ahorra tiempo y dinero.
Consejos de aplicación:
Los insertos deslizantes Dura BO 5214612 y BO 5214615 deben pedirse por separado.
Sus ventajas
Diseño reducido y discreto
Diferentes espesores de vidrio posibles
Fabricación sin complicaciones
Ficha técnica
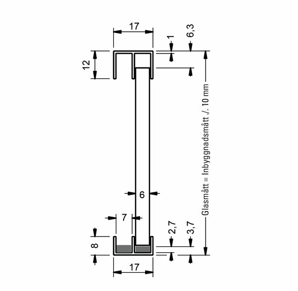
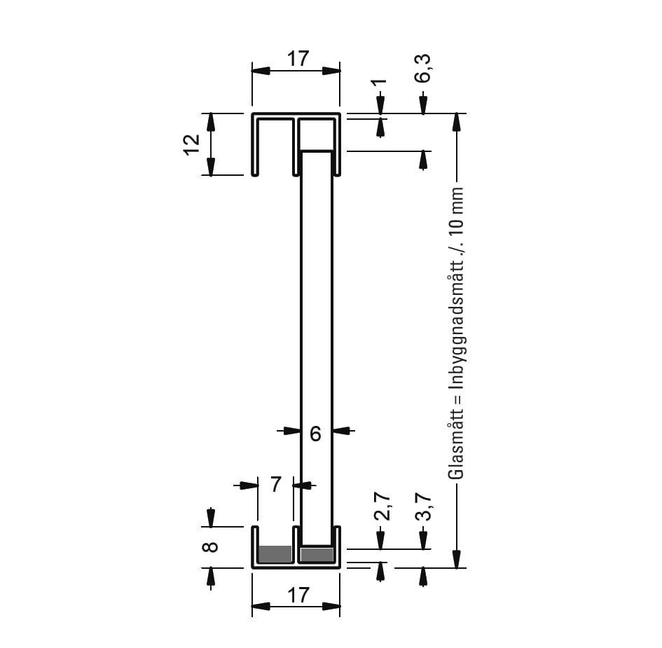
Altura
8 mm
Ancho
17 mm
Color
De color aluminio
Contenido del envase
1 Pieza
Espesor del vidrio
6 mm
Longitud
5000 mm
Material
Aluminio
Modelo
Perfil del guía inferior
Nivel de brillo
Mate
Norma de color
C0
Se requiere tratamiento del vidrio
No
Serie de productos
Dura/Durus
Tipo de puerta
Puerta corredera
Tratamiento de superficie
Anodizado
Mostrar todoMostrar menos
Planos
jpg
BO_5214613_PF1_A.jpg
Breve consulta
Se encuentra en la página web de Bohle España.
¿Le gustaría cambiar a Bohle? ?
Seleccione su localidad
product
432bb001c8c61a79b0c00004ac1deadfPerfil guía Dura / Durushttps://www.bohle.com/es-ES/Perfil-guia-Dura-Durus/BO5214614https://media.bohle.com/media/17/00/1e/1698733823/BO_5214613_PF1_C.pngInStock1209998.79EURBO5214614432bb001c8c61a79b0c00004ac1deadf8 mm6 mmPerfil del guía inferiorAnodizadoMateDura/DurusDe color aluminioNo1 PiezaDe color aluminio C0 anodizado mateAluminio5000 mmC017 mmPuerta corredera{"extensions":[],"displayParent":false,"mainVariantId":null,"configuratorGroupConfig":[{"id":"3a34789669c877da523ef571ba8efa76","expressionForListings":true},{"id":"2ae204118a5ff8544f8ba6e55a91ce80","expressionForListings":true},{"id":"b2a81c8312acd82da14cc76665e6bb5c","expressionForListings":true}],"displayCheapestVariant":null,"displayMainVariant":null}truetrueCarril de riel de rodadura, riel de rodadura, carril de rodadura, carril simple, carril doble, carril guía, junta de cepillo, protección antibloqueo, rueda, rodillo, pieza final, BO 5214614, BO5214614, 5214614432bb001c8c61a79b0c00004ac1deadfPerfil guía Dura / Durus1209998.791209998.79https://www.bohle.com/es-ES/Perfil-guia-Dura-Durus/BO5214614https://media.bohle.com/media/17/00/1e/1698733823/BO_5214613_PF1_C.pngInStockBO5214614432bb001c8c61a79b0c00004ac1deadf8 mm6 mmPerfil del guía inferiorAnodizadoMateDura/DurusDe color aluminioNo1 PiezaDe color aluminio C0 anodizado mateAluminio5000 mmC017 mmPuerta corredera{"extensions":[],"displayParent":false,"mainVariantId":null,"configuratorGroupConfig":[{"id":"3a34789669c877da523ef571ba8efa76","expressionForListings":true},{"id":"2ae204118a5ff8544f8ba6e55a91ce80","expressionForListings":true},{"id":"b2a81c8312acd82da14cc76665e6bb5c","expressionForListings":true}],"displayCheapestVariant":null,"displayMainVariant":null}truetrueCarril de riel de rodadura, riel de rodadura, carril de rodadura, carril simple, carril doble, carril guía, junta de cepillo, protección antibloqueo, rueda, rodillo, pieza final, BO 5214614, BO5214614, 5214614/Home ES/BX/BX/Home/IT/SE/INT/ZA/IT/Home/SE/Home/INT/Home/ZA/Home/BALTIC/BALTIC/Home BALTIC/INT/Home/Tienda online/INT/Home/Tienda online/Accesorios de vidrio/INT/Home/Tienda online/Accesorios de vidrio/Herrajes para muebles y vitrinas/FR/BX/Home/Tienda online/BX/Home/Tienda online/Accesorios de vidrio/UK/UK/Home/UK/Home/Tienda online/BALTIC/Home BALTIC/Tienda online/BALTIC/Home BALTIC/Tienda online/Accesorios de vidrio/BALTIC/Home BALTIC/Tienda online/Accesorios de vidrio/Herrajes para muebles y vitrinas/UK/Home/Tienda online/Accesorios de vidrio/BX/Home/Tienda online/Accesorios de vidrio/Herrajes para muebles y vitrinas/AT/AT/Home/AT/Home/Tienda online/AT/Home/Tienda online/Accesorios de vidrio/AT/Home/Tienda online/Accesorios de vidrio/Herrajes para muebles y vitrinas/IT/Home/Tienda online/IT/Home/Tienda online/Accesorios de vidrio/IT/Home/Tienda online/Accesorios de vidrio/Herrajes para muebles y vitrinas/FR/Home/FR/Home/Tienda online/FR/Home/Tienda online/Accesorios de vidrio/FR/Home/Tienda online/Accesorios de vidrio/Herrajes para muebles y vitrinas/ZA/Home/Tienda online/ZA/Home/Tienda online/Accesorios de vidrio/ZA/Home/Tienda online/Accesorios de vidrio/Herrajes para muebles y vitrinas/SE/Home/Tienda online/SE/Home/Tienda online/Accesorios de vidrio/DE/DE/Home/DE/Home/Tienda online/DE/Home/Tienda online/Accesorios de vidrio/DE/Home/Tienda online/Accesorios de vidrio/Herrajes para muebles y vitrinas/DE/Home/Tienda online/Accesorios de vidrio/Herrajes para muebles y vitrinas/Herrajes para puertas correderas de muebles/AT/Home/Tienda online/Accesorios de vidrio/Herrajes para muebles y vitrinas/Herrajes para puertas correderas de muebles/SE/Home/Tienda online/Accesorios de vidrio/Herrajes para muebles y vitrinas/SE/Home/Tienda online/Accesorios de vidrio/Herrajes para muebles y vitrinas/Herrajes para puertas correderas de muebles/IT/Home/Tienda online/Accesorios de vidrio/Herrajes para muebles y vitrinas/Herrajes para puertas correderas de muebles/BX/Home/Tienda online/Accesorios de vidrio/Herrajes para muebles y vitrinas/Herrajes para puertas correderas de muebles/BALTIC/Home BALTIC/Tienda online/Accesorios de vidrio/Herrajes para muebles y vitrinas/Herrajes para puertas correderas de muebles/Home ES/Tienda online/Home ES/Tienda online/Accesorios de vidrio/Home ES/Tienda online/Accesorios de vidrio/Herrajes para muebles y vitrinas/Home ES/Tienda online/Accesorios de vidrio/Herrajes para muebles y vitrinas/Herrajes para puertas correderas de muebles/ZA/Home/Tienda online/Accesorios de vidrio/Herrajes para muebles y vitrinas/Herrajes para puertas correderas de muebles/UK/Home/Tienda online/Accesorios de vidrio/Herrajes para muebles y vitrinas/FR/Home/Tienda online/Accesorios de vidrio/Herrajes para muebles y vitrinas/Herrajes para puertas correderas de muebles/UK/Home/Tienda online/Accesorios de vidrio/Herrajes para muebles y vitrinas/Herrajes para puertas correderas de muebles/INT/Home/Tienda online/Accesorios de vidrio/Herrajes para muebles y vitrinas/Herrajes para puertas correderas de muebles/tienda-en-linea/accesorios-de-vidrio/muebles-y-vitrinas/tienda-en-linea/accesorios-de-vidrio/muebles-y-vitrinas/herrajes-para-puertas-correderas-de-muebles/tienda-online/accesorios-de-vidrio/herrajes-para-muebles-y-vitrinas/herrajes-para-puertas-correderas-de-muebles/tienda-online/accesorios-de-vidrio/herrajes-para-muebles-y-vitrinas/tienda-online/tienda-online/accesorios-de-vidrio018e50bac1ed76ce8bf0c35226592d1a018e50bb1be67859a929e4c5bc3bd6890190104bbd4f745488cc81926fe14e210190104beb4675689b34351165d1709c01905d74ec5a7cb9a22a62ad6f7b346a01905d75002671d3bde490622370a83e01905d750f927774ac389f1bc7ee592a01905d751c8b7dbe89d67acbd6d21c1401905d75470f7ca79285ebdc8a21461001905d7584b57966a59712fdee1a88d701905d75b719778da8830895a707808c01905d75e59570bfad9e7d3133e4c310019730a561167ea5923a0fadfc39690d019730c8e5507da2ad3d80d085ea1c04057242474bc24aeba5a2f3093daf9d641560e2e901044847a6a0b9442c6e712615a3fe504bb14d32b085baa84b4870cc19b829eb01f14f9d8ee96b1f352d1ae81c80e3cdbd714c3aabfcf5df809670b91d26523802814b0e943ee6d9eca42ee22da5a780187f4e688a28d2264e7144e12e833712a6c1cd878442a1c3839fd1702f357f82b2f543beb254a29bf1f799642f6261dca980487c8a6f036a842733013232ef6a5429486c8b7192dd2a0054d534277a09ad51470eb88aa0c54553067036f7d6e065534f95a4eadf83142ff82c3763fcb89a2d4bb086df99f22f6662823aebb20b0d6c4b3739f5fb9bf979ef423ddadd8a7e7dcf86299c749db7006ac1404e495c53614121a2c4966e71c11f8a54923c0bac18481e833895bca21de4195aa7627b91154164a24cddbca7fc87a560ca51a66680c3be5d489cb1cfa862bf66fcf6e886eb46e489e6dd64f4244cb7684b113e133a4ce6afdf0a557616c78e68f404c1501f45cea5d15bf6dd52c1cf72c7038908944dc59a5a76a095809397737cd764c4984152bad5d91d28a0df39756ac1bea115494f8afb03e28ba27e1075ad515d420d9f08dfeac744fa50065876d8d5729436490fa512db6c657dde7e789540d56f0a4fc282cd9ba444bdf0ef7c5ee657af1a49b0998fe5181ac865a07d88e757407d4891912b18061526d52181b19188768745348d61f42fdfa66ef588fc1773ac214e81a7e2fc7a2933a33697fa1fe428b0472e8415135381c042849e48ffa3bc35450bb62d7e0bf43a55e9a58adce92dc50f5e3456d80d75ad6dbfa89b71fbd79f4014b23f1e3062b788daa9563a6053a74518af2635139f6a024cabff7f7f05e74045900d2735153c9cdeb14885146b374c1280c9e14217b94f9dc38f097383d3471aa86eacf4dde1de93ce3353c8c4c342aaed8fce29ef53c252d3006fad0a924126ce61240230ba7fded35bd55425954faeacbd0e4eae78c7b9de2ff6a8c35248d0b02e447edd174957e0a742e5685b4438a7ca5d47d575dca2e7e72a5486c54f83bf105a8039d66cbeebba77434c8044eb9333c4510c8f3fc2f04067f8262e41e890f040fe81565bf7fe95692f8b154cd4bd4c58bae0e906e6fef50ad352314fada9d7e5fae0adb8e4ff929ad7e3b24b4da56890df93ad8716018e50bac1ed76ce8bf0c35226592d1a0190104bbd4f745488cc81926fe14e2101905d74ec5a7cb9a22a62ad6f7b346a01905d75002671d3bde490622370a83e01905d750f927774ac389f1bc7ee592a01905d751c8b7dbe89d67acbd6d21c14019730a561167ea5923a0fadfc39690d01905d75b719778da8830895a707808c66fcf6e886eb46e489e6dd64f4244cb768f404c1501f45cea5d15bf6dd52c1cf0190104beb4675689b34351165d1709c97fa1fe428b0472e8415135381c042849e48ffa3bc35450bb62d7e0bf43a55e9737cd764c4984152bad5d91d28a0df39019730c8e5507da2ad3d80d085ea1c04c38f097383d3471aa86eacf4dde1de9372c7038908944dc59a5a76a09580939719b829eb01f14f9d8ee96b1f352d1ae815a3fe504bb14d32b085baa84b4870cc756ac1bea115494f8afb03e28ba27e1034277a09ad51470eb88aa0c545530670a58adce92dc50f5e3456d80d75ad6dbf75ad515d420d9f08dfeac744fa50065801905d75470f7ca79285ebdc8a214610404e495c53614121a2c4966e71c11f8a7d88e757407d4891912b18061526d5211560e2e901044847a6a0b9442c6e7126789540d56f0a4fc282cd9ba444bdf0ef36f7d6e065534f95a4eadf83142ff82ce0a742e5685b4438a7ca5d47d575dca201905d75e59570bfad9e7d3133e4c310684b113e133a4ce6afdf0a557616c78ea9563a6053a74518af2635139f6a024c01905d7584b57966a59712fdee1a88d7fef50ad352314fada9d7e5fae0adb8e4a89b71fbd79f4014b23f1e3062b788da5aa7627b91154164a24cddbca7fc87a5ce3353c8c4c342aaed8fce29ef53c25260ca51a66680c3be5d489cb1cfa862bfd3006fad0a924126ce61240230ba7fde2e833712a6c1cd878442a1c3839fd1703763fcb89a2d4bb086df99f22f666282de2ff6a8c35248d0b02e447edd1749572f357f82b2f543beb254a29bf1f799642da5a780187f4e688a28d2264e7144e11c80e3cdbd714c3aabfcf5df809670b9018e50bb1be67859a929e4c5bc3bd689f04067f8262e41e890f040fe81565bf7ff929ad7e3b24b4da56890df93ad8716d35bd55425954faeacbd0e4eae78c7b93232ef6a5429486c8b7192dd2a0054d51d26523802814b0e943ee6d9eca42ee22f6261dca980487c8a6f036a84273301b14885146b374c1280c9e14217b94f9d057242474bc24aeba5a2f3093daf9d64La forma más sencilla de montar puertas correderas para muebles con Dura / Durus. En lugar de perfiles de sujeción de vidrio con carros, aquí los cristales se colocan y se desplazan directamente sobre superficies deslizantes de un plástico especial tribotécnicamente optimizado. Esto ahorra tiempo y dinero.1209998.79