Please note: To ensure a smooth transition to the upcoming cooperation with AXS, the login and shopping functions have been deactivated with immediate effect. You can find all the information about the cooperation here: bohle.com/bohle-axs.
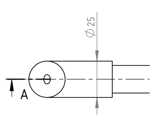
Telescopic reinforcement bar set Round 19, glass-wall, 45°
Product number:
BO5420221
Description
The telescopic Round 19 reinforcement bar set is used to connect a fixed glass side panel to a wall. There is no need to use a saw, as the reinforcement bar is freely adjustable in a wide range of lengths.
If the generous adjustment range is not enough, the set can be made shorter on the wall connector side.
Your Advantages
No glass processing required
Glass connector angle adjustable
Reinforcement bar telescopic
Technical details
Adjustable
Yes
Degree of gloss
Shiny
Diameter
19 mm
Glass thickness TSG
6 - 10 mm
Material
Brass
Mounting bracket
45°
Mounting type
Glass-Wall
Package contents
1 Set
Product series
Round 19
Shape
Round
Surface
Chrome-plated
Telescopic
240 - 400 mm
Show allShow less
Scope of supply
1 Piece
Reinforcement bar
1 Piece
Glass connector
1 Piece
Wall connector
Drawings
jpg
BO_5420221_Z3.jpg
jpg
BO_5420221_Z4.jpg
jpg
BO_5420221_z5.jpg
product
5167f001c8c61a79b0c00004ac1deadfTelescopic reinforcement bar set Round 19, glass-wall, 45°https://www.bohle.com/se-EN/Telescopic-reinforcement-bar-set-Round-19-glass-wall-450/BO5420221https://media.bohle.com/media/92/16/a5/1772528600/BO_5420221_PF1_C.png?ts=1772528600InStock13137486.86SEKBO54202215167f001c8c61a79b0c00004ac1deadfChrome-plated shiny240 - 400 mmYesRound 19Brass1 SetRound19 mm6 - 10 mmChrome-plated45°Glass-WallShiny200{"extensions":[],"displayParent":false,"mainVariantId":null,"configuratorGroupConfig":[{"id":"826d83a67d90466488545267b0bd0b4e","expressionForListings":true},{"id":"b9001934cd0d4cb4aaef00b514d7a6fb","expressionForListings":true},{"id":"4fbb24a635c409c7a0296714e1132706","expressionForListings":true}],"displayCheapestVariant":null,"displayMainVariant":null}truetrueSTABISTANGE, BO 5420221, BO5420221, 54202215167f001c8c61a79b0c00004ac1deadfTelescopic reinforcement bar set Round 19, glass-wall, 45°13137486.8613137486.86https://www.bohle.com/se-EN/Telescopic-reinforcement-bar-set-Round-19-glass-wall-450/BO5420221https://media.bohle.com/media/92/16/a5/1772528600/BO_5420221_PF1_C.png?ts=1772528600InStockBO54202215167f001c8c61a79b0c00004ac1deadfChrome-plated shiny240 - 400 mmYesRound 19Brass1 SetRound19 mm6 - 10 mmChrome-plated45°Glass-WallShiny200{"extensions":[],"displayParent":false,"mainVariantId":null,"configuratorGroupConfig":[{"id":"826d83a67d90466488545267b0bd0b4e","expressionForListings":true},{"id":"b9001934cd0d4cb4aaef00b514d7a6fb","expressionForListings":true},{"id":"4fbb24a635c409c7a0296714e1132706","expressionForListings":true}],"displayCheapestVariant":null,"displayMainVariant":null}truetrueSTABISTANGE, BO 5420221, BO5420221, 5420221/Home ES/BX/BX/Home/IT/SE/INT/ZA/IT/Home/SE/Home/INT/Home/ZA/Home/BALTIC/BALTIC/Home BALTIC/FR/BX/Home/Online Shop/BX/Home/Online Shop/Glass fittings/UK/UK/Home/UK/Home/Online Shop/UK/Home/Online Shop/Glass fittings/UK/Home/Online Shop/Glass fittings/Bath and shower/UK/Home/Online Shop/Glass fittings/Bath and shower/Stabilising bars/BALTIC/Home BALTIC/Online shop/BALTIC/Home BALTIC/Online shop/Glass fittings/BALTIC/Home BALTIC/Online shop/Glass fittings/Bath and shower/AT/AT/Home/FR/Home/FR/Home/Online Shop/SE/Home/Online Shop/SE/Home/Online Shop/Glass fittings/INT/Home/Online Shop/INT/Home/Online Shop/Glass fittings/INT/Home/Online Shop/Glass fittings/Bath and shower/INT/Home/Online Shop/Glass fittings/Bath and shower/Stabilising rods/AT/Home/Online Shop/AT/Home/Online Shop/Glass fittings/AT/Home/Online Shop/Glass fittings/Bath and shower/AT/Home/Online Shop/Glass fittings/Bath and shower/Stabilising rods/IT/Home/Online shop/Home ES/Online Shop/Home ES/Online Shop/Glass fittings/Home ES/Online Shop/Glass fittings/Bath and shower/IT/Home/Online shop/Glass fittings/IT/Home/Online shop/Glass fittings/Bath and shower/DE/DE/Home/DE/Home/Online shop/DE/Home/Online shop/Glass fittings/DE/Home/Online shop/Glass fittings/Bath and shower/FR/Home/Online Shop/Glass fittings/FR/Home/Online Shop/Glass fittings/Bath and shower/FR/Home/Online Shop/Glass fittings/Bath and shower/Stabilising rods/ZA/Home/Online Shop/BX/Home/Online Shop/Glass fittings/Bath and shower/BX/Home/Online Shop/Glass fittings/Bath and shower/Stabilising rods/SE/Home/Online Shop/Glass fittings/Bath and shower/SE/Home/Online Shop/Glass fittings/Bath and shower/Stabilising bars/DE/Home/Online shop/Glass fittings/Bath and shower/Stabilising rods/ZA/Home/Online Shop/Glass fittings/Home ES/Online Shop/Glass fittings/Bath and shower/Stabilising rods/IT/Home/Online shop/Glass fittings/Bath and shower/Stabilising rods/BALTIC/Home BALTIC/Online shop/Glass fittings/Bath and shower/Stabilising rods/ZA/Home/Online Shop/Glass fittings/Bath and shower/ZA/Home/Online Shop/Glass fittings/Bath and shower/Stabilising rods/online-shop/glass-fittings/online-shop/glass-fittings/bath-and-shower/stabilising-bars/online-shop/glass-fittings/bath-and-shower/online-shop018e50bac1ed76ce8bf0c35226592d1a018e50bb1be67859a929e4c5bc3bd6890190104bbd4f745488cc81926fe14e210190104beb4675689b34351165d1709c01905d74ec5a7cb9a22a62ad6f7b346a01905d75002671d3bde490622370a83e01905d750f927774ac389f1bc7ee592a01905d751c8b7dbe89d67acbd6d21c1401905d75470f7ca79285ebdc8a21461001905d7584b57966a59712fdee1a88d701905d75b719778da8830895a707808c01905d75e59570bfad9e7d3133e4c310019730a561167ea5923a0fadfc39690d019730c8e5507da2ad3d80d085ea1c041560e2e901044847a6a0b9442c6e712615a3fe504bb14d32b085baa84b4870cc19b829eb01f14f9d8ee96b1f352d1ae81c395b3a39a64822bb3fec58b57e67f01d26523802814b0e943ee6d9eca42ee2283b041df1e547c5b59701b8d1388eee304a033402934e11876cb4a4a92a140334277a09ad51470eb88aa0c54553067036f7d6e065534f95a4eadf83142ff82c3763fcb89a2d4bb086df99f22f66628239934dbc6b684f41a7d7d5930341e41e3fe8f72e5589830164f11ed4938ab707404e495c53614121a2c4966e71c11f8a40b191f230174db4ad909017143c7e81484e6e9fb19f4b35a5f87425b504c9585381b49a9bdeee846dbd999ac06c80035aa7627b91154164a24cddbca7fc87a560ca51a66680c3be5d489cb1cfa862bf61371443043848cd837265a2836ee40c66fcf6e886eb46e489e6dd64f4244cb7684b113e133a4ce6afdf0a557616c78e68f404c1501f45cea5d15bf6dd52c1cf72c7038908944dc59a5a76a095809397737cd764c4984152bad5d91d28a0df39756ac1bea115494f8afb03e28ba27e1075ad515d420d9f08dfeac744fa500658789540d56f0a4fc282cd9ba444bdf0ef79781a9b925a49699c62a12fb2953e6f7ac787c97b304a538f158297cc1185d57d88e757407d4891912b18061526d5217f93944c82c34bf196fdc96753b5b2cd9615bdacd51f46a6abdc0a84ca4926e597fa1fe428b0472e8415135381c042849d4cdbd18828e29e3b4cdeb1b09542a29e48ffa3bc35450bb62d7e0bf43a55e9a58adce92dc50f5e3456d80d75ad6dbfa89b71fbd79f4014b23f1e3062b788daa9563a6053a74518af2635139f6a024caf479c1851f84517b340cfaa3d4fa32dc17285812aa147bdb499f9c5b6422689c38f097383d3471aa86eacf4dde1de93c5ae9381ebdf45dc8364a94704e880e6c81814be1a52452b86cb6fce8d4a3c5dcb30aad30668e6a2d7b81eb6a183c79ace3353c8c4c342aaed8fce29ef53c252e0a742e5685b4438a7ca5d47d575dca2e921f23fb21846a9948b13178a2a179beef7f8c21aaa42c0b27f5c9f39b49435f04067f8262e41e890f040fe81565bf7f252054cdb9c48b1897369e0455f52ecfef50ad352314fada9d7e5fae0adb8e4ff929ad7e3b24b4da56890df93ad8716018e50bac1ed76ce8bf0c35226592d1a0190104bbd4f745488cc81926fe14e2101905d74ec5a7cb9a22a62ad6f7b346a01905d75002671d3bde490622370a83e01905d750f927774ac389f1bc7ee592a01905d751c8b7dbe89d67acbd6d21c14019730a561167ea5923a0fadfc39690d0190104beb4675689b34351165d1709c97fa1fe428b0472e8415135381c042849e48ffa3bc35450bb62d7e0bf43a55e9737cd764c4984152bad5d91d28a0df3919b829eb01f14f9d8ee96b1f352d1ae81d26523802814b0e943ee6d9eca42ee2283b041df1e547c5b59701b8d1388eee019730c8e5507da2ad3d80d085ea1c04c38f097383d3471aa86eacf4dde1de9372c7038908944dc59a5a76a095809397756ac1bea115494f8afb03e28ba27e101560e2e901044847a6a0b9442c6e7126789540d56f0a4fc282cd9ba444bdf0ef01905d7584b57966a59712fdee1a88d7fef50ad352314fada9d7e5fae0adb8e401905d75b719778da8830895a707808c66fcf6e886eb46e489e6dd64f4244cb768f404c1501f45cea5d15bf6dd52c1cfaf479c1851f84517b340cfaa3d4fa32d34277a09ad51470eb88aa0c545530670a58adce92dc50f5e3456d80d75ad6dbf75ad515d420d9f08dfeac744fa500658cb30aad30668e6a2d7b81eb6a183c79a01905d75470f7ca79285ebdc8a214610018e50bb1be67859a929e4c5bc3bd689f04067f8262e41e890f040fe81565bf7ff929ad7e3b24b4da56890df93ad8716404e495c53614121a2c4966e71c11f8a7d88e757407d4891912b18061526d521a89b71fbd79f4014b23f1e3062b788da5aa7627b91154164a24cddbca7fc87a5ce3353c8c4c342aaed8fce29ef53c25260ca51a66680c3be5d489cb1cfa862bf36f7d6e065534f95a4eadf83142ff82ce0a742e5685b4438a7ca5d47d575dca27f93944c82c34bf196fdc96753b5b2cd01905d75e59570bfad9e7d3133e4c31015a3fe504bb14d32b085baa84b4870cc7ac787c97b304a538f158297cc1185d53763fcb89a2d4bb086df99f22f666282f252054cdb9c48b1897369e0455f52ec5381b49a9bdeee846dbd999ac06c8003684b113e133a4ce6afdf0a557616c78e40b191f230174db4ad909017143c7e81484e6e9fb19f4b35a5f87425b504c958304a033402934e11876cb4a4a92a1403a9563a6053a74518af2635139f6a024ceef7f8c21aaa42c0b27f5c9f39b49435The telescopic Round 19 reinforcement bar set is used to connect a fixed glass side panel to a wall. There is no need to use a saw, as the reinforcement bar is freely adjustable in a wide range of lengths. 13137486.86