Please note: To ensure a smooth transition to the upcoming cooperation with AXS, the login and shopping functions have been deactivated with immediate effect. You can find all the information about the cooperation here: bohle.com/bohle-axs.
The flush-mounted Plan Artist FM swing shower door hinge has a load-bearing capacity of 38 kg. Doors up to max. 0.9 x 2.10 m can be achieved. The 90° glass-to-wall installation is designed for right-angled corner showers and recess showers.
The flush-mounted design allows easy cleaning of the glass panes. The hinge has a self-closing function up to an opening angle of approx. ±60°. The lift-and-lower function is particularly convenient, with which the shower door fittings close easily and silently as if by themselves. Due to the lowering of the door when closing, a better seal is achieved due to an increased sealing pressure. For all those who appreciate something special
About the product series Plan Artist FM:
The Plan Artist FM series is characterised by its linear, angular design. The shower door hinges are flush-mounted on the inside and have a raise/lower mechanism. The perfect solution for accessibility or sophisticated showering pleasure in a small space.
*FM = flush-mounted
Show allShow less
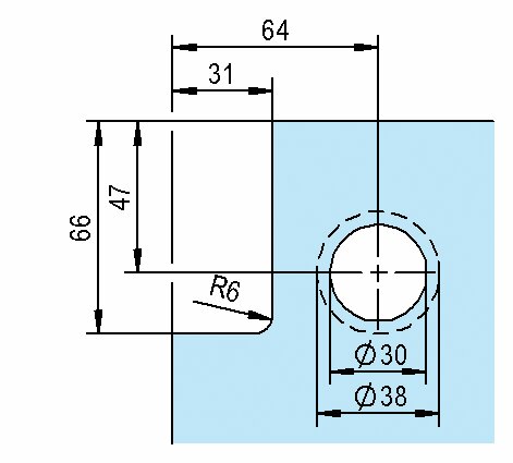
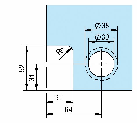
Application note:
A deduction of 16 mm has been taken into account in the glass cut-out to ensure a flush finish with the fitting. To insert the seal BO 5213494, the glass cut-out must be adapted.
Your Advantages
Concealed screws
Zero position with catch position
Lifting-lowering technology with 5 mm lifting height
Flush mounting
Technical details
Adjustable zero position
No
Concealed wall fixings
Yes
Degree of gloss
Shiny
Door type
Swing door
Flush
Yes
Glass processing required
Yes
Glass thickness TSG
8 mm
Hold position
90°
Material
Brass
Max. door height
2,100 mm
Max. door weight per pair
38 kg
Max. door width
900 mm
Mounting type
Glass-Wall
Opening direction
Left
Package contents
1 Pair
Product series
Plan Artist FM
Retrieval zone
Yes
Rise/fall function
Yes
Screws on the belt concealed
Yes
Self-closing from
60°
Surface
Chrome-plated
Show allShow less
Scope of supply
1 Pair
Downloads
Drawings
jpg
BO_5215650_z1.jpg
jpg
BO_5215650_z2.jpg
jpg
BO_5215650_z3.jpg
Discover more
product
47767001c8c61a79b0c00004ac1deadfPlan Artist FM shower door hinge, glass-wall 90°https://www.bohle.com/se-EN/Plan-Artist-FM-shower-door-hinge-glass-wall-900/BO5215650https://media.bohle.com/media/ec/55/af/1779278980/BO_5215650_PF1_A.png?ts=1779588591InStock13137486.86SEKBO521565047767001c8c61a79b0c00004ac1deadfYesLeftChrome-plated shinySwing doorYesBrassYes900 mmYes38 kg2,100 mmYesNo1 PairChrome-platedPlan Artist FM8 mmYesGlass-Wall60°Shiny90°300The flush-mounted design allows easy cleaning of the glass panes. The hinge has a self-closing function up to an opening angle of approx. ±60°. The lift-and-lower function is particularly convenient, with which the shower door fittings close easily and silently as if by themselves. Due to the lowering of the door when closing, a better seal is achieved due to an increased sealing pressure. For all those who appreciate something special {"extensions":[],"displayParent":false,"mainVariantId":null,"configuratorGroupConfig":[{"id":"826d83a67d90466488545267b0bd0b4e","expressionForListings":true},{"id":"2184205c998f0668b58a104fcd2efbe2","expressionForListings":true},{"id":"dd850370ba603feb16af35a52be65160","expressionForListings":true}],"displayCheapestVariant":null,"displayMainVariant":null}truetrueShower hinge, shower door hinge, hinge, BO 5215650, BO5215650, 521565047767001c8c61a79b0c00004ac1deadfPlan Artist FM shower door hinge, glass-wall 90°13137486.8613137486.86https://www.bohle.com/se-EN/Plan-Artist-FM-shower-door-hinge-glass-wall-900/BO5215650https://media.bohle.com/media/ec/55/af/1779278980/BO_5215650_PF1_A.png?ts=1779588591InStockBO521565047767001c8c61a79b0c00004ac1deadfYesLeftChrome-plated shinySwing doorYesBrassYes900 mmYes38 kg2,100 mmYesNo1 PairChrome-platedPlan Artist FM8 mmYesGlass-Wall60°Shiny90°300The flush-mounted design allows easy cleaning of the glass panes. The hinge has a self-closing function up to an opening angle of approx. ±60°. The lift-and-lower function is particularly convenient, with which the shower door fittings close easily and silently as if by themselves. Due to the lowering of the door when closing, a better seal is achieved due to an increased sealing pressure. For all those who appreciate something special {"extensions":[],"displayParent":false,"mainVariantId":null,"configuratorGroupConfig":[{"id":"826d83a67d90466488545267b0bd0b4e","expressionForListings":true},{"id":"2184205c998f0668b58a104fcd2efbe2","expressionForListings":true},{"id":"dd850370ba603feb16af35a52be65160","expressionForListings":true}],"displayCheapestVariant":null,"displayMainVariant":null}truetrueShower hinge, shower door hinge, hinge, BO 5215650, BO5215650, 5215650/Home ES/BX/BX/Home/IT/SE/INT/ZA/IT/Home/SE/Home/INT/Home/ZA/Home/BALTIC/BALTIC/Home BALTIC/AT/AT/Home/AT/Home/Online Shop/AT/Home/Online Shop/Glass fittings/AT/Home/Online Shop/Glass fittings/Bath and shower/AT/Home/Online Shop/Glass fittings/Bath and shower/Shower door hinges/AT/Home/Online Shop/Glass fittings/Bath and shower/Shower door hinges/Hinges/FR/BX/Home/Online Shop/BX/Home/Online Shop/Glass fittings/UK/UK/Home/UK/Home/Online Shop/BALTIC/Home BALTIC/Online shop/BALTIC/Home BALTIC/Online shop/Glass fittings/BALTIC/Home BALTIC/Online shop/Glass fittings/Bath and shower/BALTIC/Home BALTIC/Online shop/Glass fittings/Bath and shower/Shower door hinges/BALTIC/Home BALTIC/Online shop/Glass fittings/Bath and shower/Shower door hinges/Hinges/UK/Home/Online Shop/Glass fittings/UK/Home/Online Shop/Glass fittings/Bath and shower/IT/Home/Online shop/IT/Home/Online shop/Glass fittings/IT/Home/Online shop/Glass fittings/Bath and shower/IT/Home/Online shop/Glass fittings/Bath and shower/Shower door hinges/FR/Home/FR/Home/Online Shop/SE/Home/Online Shop/SE/Home/Online Shop/Glass fittings/Home ES/Online Shop/Home ES/Online Shop/Glass fittings/Home ES/Online Shop/Glass fittings/Bath and shower/UK/Home/Online Shop/Glass fittings/Bath and shower/Shower door hinges/UK/Home/Online Shop/Glass fittings/Bath and shower/Shower door hinges/Hinges/DE/DE/Home/DE/Home/Online shop/DE/Home/Online shop/Glass fittings/DE/Home/Online shop/Glass fittings/Bath and shower/BX/Home/Online Shop/Glass fittings/Bath and shower/BX/Home/Online Shop/Glass fittings/Bath and shower/Shower door hinges/ZA/Home/Online Shop/ZA/Home/Online Shop/Glass fittings/ZA/Home/Online Shop/Glass fittings/Bath and shower/ZA/Home/Online Shop/Glass fittings/Bath and shower/Shower door hinges/ZA/Home/Online Shop/Glass fittings/Bath and shower/Shower door hinges/Hinges/INT/Home/Online Shop/INT/Home/Online Shop/Glass fittings/Home ES/Online Shop/Glass fittings/Bath and shower/Shower door hinges/FR/Home/Online Shop/Glass fittings/FR/Home/Online Shop/Glass fittings/Bath and shower/Home ES/Online Shop/Glass fittings/Bath and shower/Shower door hinges/Hinges/DE/Home/Online shop/Glass fittings/Bath and shower/Shower door hinges/DE/Home/Online shop/Glass fittings/Bath and shower/Shower door hinges/Hinges/SE/Home/Online Shop/Glass fittings/Bath and shower/SE/Home/Online Shop/Glass fittings/Bath and shower/Shower door hinges/SE/Home/Online Shop/Glass fittings/Bath and shower/Shower door hinges/Hinges/FR/Home/Online Shop/Glass fittings/Bath and shower/Shower door hinges/INT/Home/Online Shop/Glass fittings/Bath and shower/IT/Home/Online shop/Glass fittings/Bath and shower/Shower door hinges/Hinges/BX/Home/Online Shop/Glass fittings/Bath and shower/Shower door hinges/Hinges/FR/Home/Online Shop/Glass fittings/Bath and shower/Shower door hinges/Hinges/INT/Home/Online Shop/Glass fittings/Bath and shower/Shower door hinges/INT/Home/Online Shop/Glass fittings/Bath and shower/Shower door hinges/Hinges/online-shop/glass-fittings/online-shop/glass-fittings/bath-and-shower/shower-door-hinges/hinges/online-shop/glass-fittings/bath-and-shower/shower-door-hinges/online-shop/glass-fittings/bath-and-shower/online-shop018e50bac1ed76ce8bf0c35226592d1a018e50bb1be67859a929e4c5bc3bd6890190104bbd4f745488cc81926fe14e210190104beb4675689b34351165d1709c01905d74ec5a7cb9a22a62ad6f7b346a01905d75002671d3bde490622370a83e01905d750f927774ac389f1bc7ee592a01905d751c8b7dbe89d67acbd6d21c1401905d75470f7ca79285ebdc8a21461001905d7584b57966a59712fdee1a88d701905d75b719778da8830895a707808c01905d75e59570bfad9e7d3133e4c310019730a561167ea5923a0fadfc39690d019730c8e5507da2ad3d80d085ea1c04113cf13a64774b23ac6fcb408750ccd41560e2e901044847a6a0b9442c6e712615a3fe504bb14d32b085baa84b4870cc19b829eb01f14f9d8ee96b1f352d1ae81a60ec24a1384c5f9066f37bf0167bf31d26523802814b0e943ee6d9eca42ee2283b041df1e547c5b59701b8d1388eee300155dd8adb4779975c2d2de42f0a2f304a033402934e11876cb4a4a92a140334277a09ad51470eb88aa0c54553067036f7d6e065534f95a4eadf83142ff82c3763fcb89a2d4bb086df99f22f666282404e495c53614121a2c4966e71c11f8a40b191f230174db4ad909017143c7e8143469537b8ca2c5e6a97371388e7d4fa484e6e9fb19f4b35a5f87425b504c9584de502435c574f5db870e2b6f8fed6415381b49a9bdeee846dbd999ac06c80035aa7627b91154164a24cddbca7fc87a55aad239ba00c4ac2a2cdd73308c99b665b7c842f6c6340e88181d467fd1ef54260ca51a66680c3be5d489cb1cfa862bf66fcf6e886eb46e489e6dd64f4244cb767780089f6be4d529b1dc2fdb78e7042684b113e133a4ce6afdf0a557616c78e68f404c1501f45cea5d15bf6dd52c1cf72c7038908944dc59a5a76a095809397737cd764c4984152bad5d91d28a0df39756ac1bea115494f8afb03e28ba27e1075ad515d420d9f08dfeac744fa50065876e9b0d9f12c41b291dc8177a11bea70789540d56f0a4fc282cd9ba444bdf0ef7ac787c97b304a538f158297cc1185d57d88e757407d4891912b18061526d5217f93944c82c34bf196fdc96753b5b2cd7fa945348820495696191318882f9fff92395593106240dabe2f9a084adb2706975c0400b53e44fe81fcbe5353e593a097fa1fe428b0472e8415135381c042849e48ffa3bc35450bb62d7e0bf43a55e9a58adce92dc50f5e3456d80d75ad6dbfa89b71fbd79f4014b23f1e3062b788daa9164d12f8754e669c9646c862f789e4a9563a6053a74518af2635139f6a024caaa7170731eb4681a2605d76693ec824af479c1851f84517b340cfaa3d4fa32db4a0e3b57ae546b4b018896095bfe018bfe04318f626421fac4d0a9d3dd23e88c38f097383d3471aa86eacf4dde1de93cb30aad30668e6a2d7b81eb6a183c79ace3353c8c4c342aaed8fce29ef53c252d7949beb8a39424f889a8b40a8a6c6afdd409812401b4ca69a950743d8dad7d6e0a742e5685b4438a7ca5d47d575dca2ea85c8b96cfcc790d5b30bf6eca0852aed49ad82de7b48d18974022c7c948f68eddb97ce56cc476c9f6b4ab5c1571c31eef7f8c21aaa42c0b27f5c9f39b49435f04067f8262e41e890f040fe81565bf7f252054cdb9c48b1897369e0455f52ecf93c7db3964c488290c27af7525ae07bfef50ad352314fada9d7e5fae0adb8e4ff929ad7e3b24b4da56890df93ad8716018e50bac1ed76ce8bf0c35226592d1a0190104bbd4f745488cc81926fe14e2101905d74ec5a7cb9a22a62ad6f7b346a01905d75002671d3bde490622370a83e01905d750f927774ac389f1bc7ee592a01905d751c8b7dbe89d67acbd6d21c14019730a561167ea5923a0fadfc39690d756ac1bea115494f8afb03e28ba27e1034277a09ad51470eb88aa0c545530670a58adce92dc50f5e3456d80d75ad6dbf75ad515d420d9f08dfeac744fa500658cb30aad30668e6a2d7b81eb6a183c79a43469537b8ca2c5e6a97371388e7d4fa0190104beb4675689b34351165d1709c97fa1fe428b0472e8415135381c042849e48ffa3bc35450bb62d7e0bf43a55e9737cd764c4984152bad5d91d28a0df39019730c8e5507da2ad3d80d085ea1c04c38f097383d3471aa86eacf4dde1de9372c7038908944dc59a5a76a095809397304a033402934e11876cb4a4a92a1403ed49ad82de7b48d18974022c7c948f6819b829eb01f14f9d8ee96b1f352d1ae81d26523802814b0e943ee6d9eca42ee201905d75470f7ca79285ebdc8a214610404e495c53614121a2c4966e71c11f8a7d88e757407d4891912b18061526d521484e6e9fb19f4b35a5f87425b504c9581560e2e901044847a6a0b9442c6e7126789540d56f0a4fc282cd9ba444bdf0ef01905d7584b57966a59712fdee1a88d7fef50ad352314fada9d7e5fae0adb8e4018e50bb1be67859a929e4c5bc3bd689f04067f8262e41e890f040fe81565bf7ff929ad7e3b24b4da56890df93ad8716283b041df1e547c5b59701b8d1388eee67780089f6be4d529b1dc2fdb78e7042a89b71fbd79f4014b23f1e3062b788da5aa7627b91154164a24cddbca7fc87a5ce3353c8c4c342aaed8fce29ef53c25260ca51a66680c3be5d489cb1cfa862bf15a3fe504bb14d32b085baa84b4870cc7ac787c97b304a538f158297cc1185d501905d75e59570bfad9e7d3133e4c310684b113e133a4ce6afdf0a557616c78ea9563a6053a74518af2635139f6a024ceef7f8c21aaa42c0b27f5c9f39b49435b4a0e3b57ae546b4b018896095bfe01801905d75b719778da8830895a707808c66fcf6e886eb46e489e6dd64f4244cb740b191f230174db4ad909017143c7e8136f7d6e065534f95a4eadf83142ff82ce0a742e5685b4438a7ca5d47d575dca276e9b0d9f12c41b291dc8177a11bea705381b49a9bdeee846dbd999ac06c8003ea85c8b96cfcc790d5b30bf6eca0852a3763fcb89a2d4bb086df99f22f666282f252054cdb9c48b1897369e0455f52ecaaa7170731eb4681a2605d76693ec8247f93944c82c34bf196fdc96753b5b2cd68f404c1501f45cea5d15bf6dd52c1cf300155dd8adb4779975c2d2de42f0a2f5aad239ba00c4ac2a2cdd73308c99b66a9164d12f8754e669c9646c862f789e4af479c1851f84517b340cfaa3d4fa32df93c7db3964c488290c27af7525ae07bThe flush-mounted Plan Artist FM swing shower door hinge has a load-bearing capacity of 38 kg. Doors up to max. 0.9 x 2.10 m can be achieved. The 90° glass-to-wall installation is designed for right-angled corner showers and recess showers.13137486.86https://media.bohle.com/media/84/ff/eb/1779278980/BO_5215650_PF2_A.png?ts=1779588591https://media.bohle.com/media/1b/da/fb/1779278963/BO_5215650_PF3_A.png?ts=1779588591