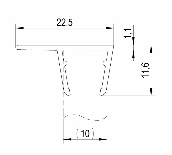
This optional FloorTrack seal provides an additional seal between the door leaves for increased draft and dust protection. The seal is simply slipped onto the edge of the glass.
About the product series FloorTrack:
The feeling of being outside - without being outside. How does this work? With the floor-guided sliding door system FloorTrack from Bohle. Whether for the private summer garden or a practical terrace partition in the catering trade: with FloorTrack, you create a mobile and transparent partition wall that elegantly separates outdoor areas.
Depending on your wishes, you can choose between two floor tracks: While one variant is recessed into the floor, an attached running track can be mounted as well. Three to five sliding elements with a maximum width of 1.10 m each are possible for an elegant glass partition. Both narrow and wide glass partitions can be realised with FloorTrack: On the one hand, the floor profiles can be individually shortened, and on the other hand, they can be joined together with the help of connecting elements to create a total width of more than 10 m. This creates impressive glass fronts. This creates impressive glass fronts in a modern style.
Since the individual glass leaves made of 10 mm toughened safety glass are connected to each other, the open partition wall can be closed in no time at all. With the three finishes white, anthracite grey and anodised aluminium, FloorTrack adapts perfectly to any environment. The high-quality processed fittings are all anodised and thus offer the corrosion protection necessary for outdoor use. Particularly practical for installation: the height adjustability guarantees perfect alignment of the panes.