Vanwege uitgebreide systeemwerkzaamheden is het vanaf 13 mei 2026, 16.00 uur, tot en met 17 mei 2026 niet mogelijk om in te loggen of bestellingen te plaatsen in de Bohle-webshop. Productinformatie, inhoud en downloads blijven beschikbaar. Hartelijk dank voor uw begrip.
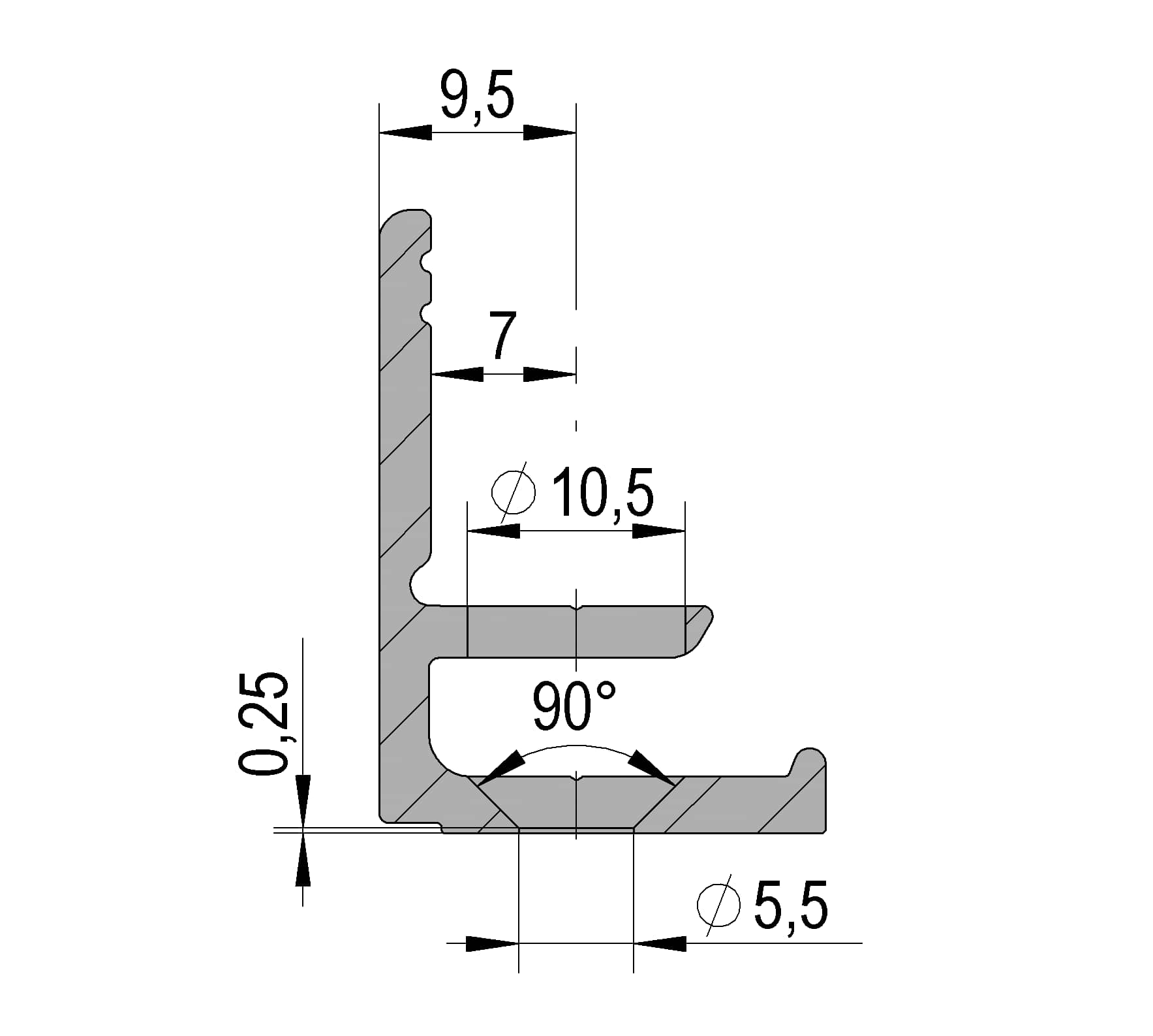
Met onze een- en tweedelige frameprofielen is een snelle en rendabele installatie gegarandeerd. Dankzij een tweedelige constructie met verschillende vergrendelingsposities en afdichtingsvarianten kunnen glasplaten van 8 tot 21,52 mm dik worden geïnstalleerd.
Het tweedelige, reeds voorgeboorde kaderprofiel wordt op de vloer en aan de muur gemonteerd. Voor montage aan het plafond adviseren wij de kaderprofielen uit één stuk, die het kantelen van de ruiten voorkomen en de montage veilig en gemakkelijk maken. Door het gebruik van hoogwaardige steekafdichtingen is afdichting met siliconen niet nodig. Met de bijpassende afdekkappen zorgt u voor een hoogwaardige afwerking van uw kamerscherm.
Raadpleeg de installatie-instructies voor insteekafdichtingen die passen bij de glasdikte
Uw voordelen
Eenvoudige klembevestiging
Geen glasbewerking nodig
Voorgeboorde profielen
Drie vergrendelingen voor glasdiktes van 8 tot 21,52 mm
Technische details
Dikte van het materiaal
2,5 mm
Glasdikte
8 - 21,52 mm
Glasdikte ESG (enkelvoudig veiligheidsglas)
8 - 12 mm
Glasdikte VSG (Gelaagd veiligheidsglas)
8,76 - 21,52 mm
Hoogte
30 mm
Inhoud van de verpakking
1 Paar
Kleur
Zwart
Kleurstandaard
C35
Lengte
5.000 mm
Materiaal
Aluminium
Model
Tweedelig
Oppervlak
Geanodiseerd
Oppervlaktebehandeling
E6 gebeitst
Alles weergevenMinder tonen
Downloads
pdf
Instructions
Wandanschluss-Klemmprofil - Clamp on frame profile - Instruction Manual
3967d001c8c61a79b0c00004ac1deadfFrameprofiel in twee delenhttps://www.bohle.com/bx-NL/Frameprofiel-in-twee-delen/BO5201752Bhttps://media.bohle.com/media/d5/2a/2a/1772530699/BO5201750B-BO5201752B-PF1-2D.png?ts=1778385967InStock1209998.79EURBO5201752B3967d001c8c61a79b0c00004ac1deadf8 - 21,52 mm5.000 mmTweedeligZwart C35 geanodiseerd E6 gebeitstGeanodiseerd2,5 mmZwart8 - 12 mm8,76 - 21,52 mmAluminiumC3530 mm1 PaarE6 gebeitst200Het tweedelige, reeds voorgeboorde kaderprofiel wordt op de vloer en aan de muur gemonteerd. Voor montage aan het plafond adviseren wij de kaderprofielen uit één stuk, die het kantelen van de ruiten voorkomen en de montage veilig en gemakkelijk maken. Door het gebruik van hoogwaardige steekafdichtingen is afdichting met siliconen niet nodig. Met de bijpassende afdekkappen zorgt u voor een hoogwaardige afwerking van uw kamerscherm.{"extensions":[],"displayParent":false,"mainVariantId":null,"configuratorGroupConfig":[{"id":"826d83a67d90466488545267b0bd0b4e","expressionForListings":true},{"id":"3a34789669c877da523ef571ba8efa76","expressionForListings":true},{"id":"c2de7482ccece302f44c2d39e426fac1","expressionForListings":true},{"id":"2ae204118a5ff8544f8ba6e55a91ce80","expressionForListings":true}],"displayCheapestVariant":null,"displayMainVariant":null}truetrueWandverbindingsprofiel, klemprofiel, tweedelig, BO 5201752B, BO5201752B, 5201752B3967d001c8c61a79b0c00004ac1deadfFrameprofiel in twee delen1209998.791209998.79https://www.bohle.com/bx-NL/Frameprofiel-in-twee-delen/BO5201752Bhttps://media.bohle.com/media/d5/2a/2a/1772530699/BO5201750B-BO5201752B-PF1-2D.png?ts=1778385967InStockBO5201752B3967d001c8c61a79b0c00004ac1deadf8 - 21,52 mm5.000 mmTweedeligZwart C35 geanodiseerd E6 gebeitstGeanodiseerd2,5 mmZwart8 - 12 mm8,76 - 21,52 mmAluminiumC3530 mm1 PaarE6 gebeitst200Het tweedelige, reeds voorgeboorde kaderprofiel wordt op de vloer en aan de muur gemonteerd. Voor montage aan het plafond adviseren wij de kaderprofielen uit één stuk, die het kantelen van de ruiten voorkomen en de montage veilig en gemakkelijk maken. Door het gebruik van hoogwaardige steekafdichtingen is afdichting met siliconen niet nodig. Met de bijpassende afdekkappen zorgt u voor een hoogwaardige afwerking van uw kamerscherm.{"extensions":[],"displayParent":false,"mainVariantId":null,"configuratorGroupConfig":[{"id":"826d83a67d90466488545267b0bd0b4e","expressionForListings":true},{"id":"3a34789669c877da523ef571ba8efa76","expressionForListings":true},{"id":"c2de7482ccece302f44c2d39e426fac1","expressionForListings":true},{"id":"2ae204118a5ff8544f8ba6e55a91ce80","expressionForListings":true}],"displayCheapestVariant":null,"displayMainVariant":null}truetrueWandverbindingsprofiel, klemprofiel, tweedelig, BO 5201752B, BO5201752B, 5201752B/Home ES/BX/BX/Home/IT/SE/INT/ZA/IT/Home/SE/Home/INT/Home/ZA/Home/BALTIC/BALTIC/Home BALTIC/ZA/Home/Online winkel/ZA/Home/Online winkel/Glaswerk/ZA/Home/Online winkel/Glaswerk/Binnen- & buiteninrichting/FR/BX/Home/Online Shop/BX/Home/Online Shop/Glasbeslag/UK/UK/Home/UK/Home/Online winkel/UK/Home/Online winkel/Glaswerk/IT/Home/Online winkel/IT/Home/Online winkel/Glaswerk/IT/Home/Online winkel/Glaswerk/Binnen- & buiteninrichting/IT/Home/Online winkel/Glaswerk/Binnen- & buiteninrichting/Beglazingsprofielen /DE/DE/Home/DE/Home/Online winkel/DE/Home/Online winkel/Glaswerk/DE/Home/Online winkel/Glaswerk/Binnen- & buiteninrichting/DE/Home/Online winkel/Glaswerk/Binnen- & buiteninrichting/Beglazingsprofielen /INT/Home/Online winkel/INT/Home/Online winkel/Glaswerk/INT/Home/Online winkel/Glaswerk/Binnen- & buiteninrichting/UK/Home/Online winkel/Glaswerk/Binnen- & buiteninrichting/UK/Home/Online winkel/Glaswerk/Binnen- & buiteninrichting/Beglazingsprofielen /AT/AT/Home/ZA/Home/Online winkel/Glaswerk/Binnen- & buiteninrichting/Beglazingsprofielen /FR/Home/FR/Home/Online winkel/SE/Home/Online winkel/SE/Home/Online winkel/Glaswerk/AT/Home/Online winkel/AT/Home/Online winkel/Glaswerk/AT/Home/Online winkel/Glaswerk/Binnen- & buiteninrichting/SE/Home/Online winkel/Glaswerk/Binnen- & buiteninrichting/SE/Home/Online winkel/Glaswerk/Binnen- & buiteninrichting/Beglazingsprofielen /INT/Home/Online winkel/Glaswerk/Binnen- & buiteninrichting/Beglazingsprofielen /BX/Home/Online Shop/Glasbeslag/Interieur & exterieurbeslag/FR/Home/Online winkel/Glaswerk/FR/Home/Online winkel/Glaswerk/Binnen- & buiteninrichting/Home ES/Online winkel/Home ES/Online winkel/Glaswerk/Home ES/Online winkel/Glaswerk/Binnen- & buiteninrichting/BALTIC/Home BALTIC/Online winkel/BALTIC/Home BALTIC/Online winkel/Glaswerk/BX/Home/Online Shop/Glasbeslag/Interieur & exterieurbeslag/Beglazingsprofielen /AT/Home/Online winkel/Glaswerk/Binnen- & buiteninrichting/Beglazingsprofielen /BALTIC/Home BALTIC/Online winkel/Glaswerk/Binnen- & buiteninrichting/Home ES/Online winkel/Glaswerk/Binnen- & buiteninrichting/Beglazingsprofielen /BALTIC/Home BALTIC/Online winkel/Glaswerk/Binnen- & buiteninrichting/Beglazingsprofielen /FR/Home/Online winkel/Glaswerk/Binnen- & buiteninrichting/Beglazingsprofielen /online-shop/glasbeslag/online-shop/glasbeslag/interieur-exterieurbeslag/online-shop/glasbeslag/interieur-exterieurbeslag/beglazingsprofielen/online-shop018e50bac1ed76ce8bf0c35226592d1a018e50bb1be67859a929e4c5bc3bd6890190104bbd4f745488cc81926fe14e210190104beb4675689b34351165d1709c01905d74ec5a7cb9a22a62ad6f7b346a01905d75002671d3bde490622370a83e01905d750f927774ac389f1bc7ee592a01905d751c8b7dbe89d67acbd6d21c1401905d75470f7ca79285ebdc8a21461001905d7584b57966a59712fdee1a88d701905d75b719778da8830895a707808c01905d75e59570bfad9e7d3133e4c310019730a561167ea5923a0fadfc39690d019730c8e5507da2ad3d80d085ea1c0410c5ddfa154c4693872455e1a84ded571560e2e901044847a6a0b9442c6e712615a3fe504bb14d32b085baa84b4870cc19b829eb01f14f9d8ee96b1f352d1ae81d26523802814b0e943ee6d9eca42ee2218dd6d226e141fda37eef1bcbedb23a2ef104d017d1e551333bebc9298a3a832fa46c3463594b3fa93dab08aea820003311e15e788e4866b422e3647a795c8034277a09ad51470eb88aa0c545530670357fd294dd1341e78c633d26ead8513236f7d6e065534f95a4eadf83142ff82c3763fcb89a2d4bb086df99f22f666282388147a51e376e26b347d1fff345731c404e495c53614121a2c4966e71c11f8a47eb4d330d4a40fc9060fea14e626c9b4d15200566764a00a4bdb169be2153a24fed85a7183e441fb660ac454c4edcea5734632e05684a73972e5586c3ae7e4d5aa7627b91154164a24cddbca7fc87a55d232d6ba2354f5ab9fa9ab038a26eca60ca51a66680c3be5d489cb1cfa862bf66fcf6e886eb46e489e6dd64f4244cb76733c37116c74caebd84b36749dae4ad684b113e133a4ce6afdf0a557616c78e68f404c1501f45cea5d15bf6dd52c1cf72c7038908944dc59a5a76a095809397737cd764c4984152bad5d91d28a0df39756ac1bea115494f8afb03e28ba27e1075ad515d420d9f08dfeac744fa500658769f7ee94f454ac4b4cee7d75bc32a23789540d56f0a4fc282cd9ba444bdf0ef7d88e757407d4891912b18061526d5218d18e7349b4421d35a29f1ad3a2432b393a80fe10254d5f384754d30da292ed897fa1fe428b0472e8415135381c042849bbead383d974b47b87e8ac311d49bf69e48ffa3bc35450bb62d7e0bf43a55e9a40253623f7646068599dc35b5a8cb2fa58adce92dc50f5e3456d80d75ad6dbfa89b71fbd79f4014b23f1e3062b788daa9563a6053a74518af2635139f6a024cb0f36fcd4e4348eba7be24139bc16a56ba878ed88f014c3abf93dfb1f8fd0d83c38f097383d3471aa86eacf4dde1de93cd43e00489a645ba82ee3bdd00946007ce3353c8c4c342aaed8fce29ef53c252e0a742e5685b4438a7ca5d47d575dca2f04067f8262e41e890f040fe81565bf7f33c47e071be4418ac22d57d29db9652fef50ad352314fada9d7e5fae0adb8e4ff929ad7e3b24b4da56890df93ad8716018e50bac1ed76ce8bf0c35226592d1a0190104bbd4f745488cc81926fe14e2101905d74ec5a7cb9a22a62ad6f7b346a01905d75002671d3bde490622370a83e01905d750f927774ac389f1bc7ee592a01905d751c8b7dbe89d67acbd6d21c14019730a561167ea5923a0fadfc39690d01905d75e59570bfad9e7d3133e4c310684b113e133a4ce6afdf0a557616c78ea9563a6053a74518af2635139f6a024c0190104beb4675689b34351165d1709c97fa1fe428b0472e8415135381c042849e48ffa3bc35450bb62d7e0bf43a55e9737cd764c4984152bad5d91d28a0df3919b829eb01f14f9d8ee96b1f352d1ae801905d75470f7ca79285ebdc8a214610404e495c53614121a2c4966e71c11f8a7d88e757407d4891912b18061526d5214d15200566764a00a4bdb169be2153a2a89b71fbd79f4014b23f1e3062b788da5aa7627b91154164a24cddbca7fc87a5ce3353c8c4c342aaed8fce29ef53c25260ca51a66680c3be5d489cb1cfa862bf8d18e7349b4421d35a29f1ad3a2432b301905d75b719778da8830895a707808c66fcf6e886eb46e489e6dd64f4244cb768f404c1501f45cea5d15bf6dd52c1cf1d26523802814b0e943ee6d9eca42ee29bbead383d974b47b87e8ac311d49bf6756ac1bea115494f8afb03e28ba27e1010c5ddfa154c4693872455e1a84ded571560e2e901044847a6a0b9442c6e7126789540d56f0a4fc282cd9ba444bdf0ef01905d7584b57966a59712fdee1a88d7fef50ad352314fada9d7e5fae0adb8e434277a09ad51470eb88aa0c545530670a58adce92dc50f5e3456d80d75ad6dbf75ad515d420d9f08dfeac744fa5006583763fcb89a2d4bb086df99f22f666282cd43e00489a645ba82ee3bdd009460072fa46c3463594b3fa93dab08aea8200015a3fe504bb14d32b085baa84b4870cc36f7d6e065534f95a4eadf83142ff82ce0a742e5685b4438a7ca5d47d575dca2018e50bb1be67859a929e4c5bc3bd689f04067f8262e41e890f040fe81565bf7ff929ad7e3b24b4da56890df93ad8716019730c8e5507da2ad3d80d085ea1c04c38f097383d3471aa86eacf4dde1de935734632e05684a73972e5586c3ae7e4d388147a51e376e26b347d1fff345731c72c7038908944dc59a5a76a0958093976733c37116c74caebd84b36749dae4ada40253623f7646068599dc35b5a8cb2f5d232d6ba2354f5ab9fa9ab038a26ecaMet onze een- en tweedelige frameprofielen is een snelle en rendabele installatie gegarandeerd. Dankzij een tweedelige constructie met verschillende vergrendelingsposities en afdichtingsvarianten kunnen glasplaten van 8 tot 21,52 mm dik worden geïnstalleerd.1209998.79https://media.bohle.com/media/9b/40/6f/1772530686/BO_5201750_PF1_A.png?ts=1778385967